EasyManua.ls Logo

Hayter 131D - Repair Parts

Hayter 131D
40 pages
Print Icon
To Next Page IconTo Next Page
To Next Page IconTo Next Page
To Previous Page IconTo Previous Page
To Previous Page IconTo Previous Page
Loading...
REPAIR PARTSCODE 131D
32
276835MA
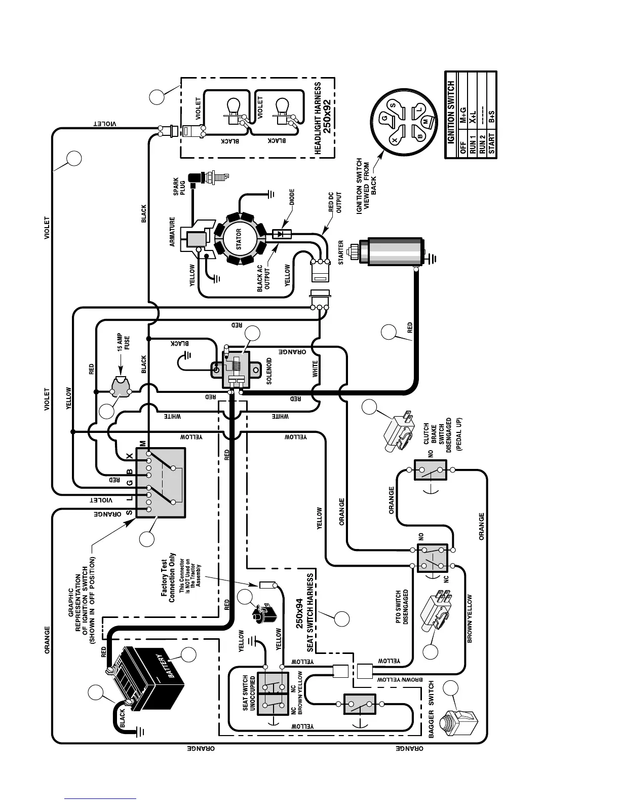
ELECTRICAL SYSTEM
24x32
94159
24x31
92377
94613
REAR HARNESS: 250X148
LIGHT HARNESS: 250X92
MAIN HARNESS: 250X126
094136
1001575
21075
1001845
1
2
3
4
5
6
7
8
9
10
11
12
13

Related product manuals