EasyManua.ls Logo

Heathkit HP-1144 - 32.jpg

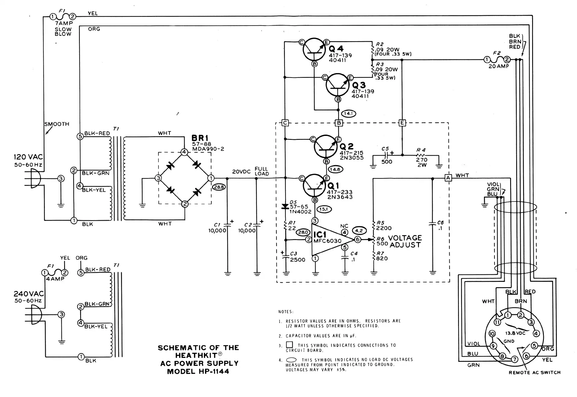
Heathkit HP-1144
33 pages
Print Icon
To Next Page IconTo Next Page
To Next Page IconTo Next Page
To Previous Page IconTo Previous Page
To Previous Page IconTo Previous Page
Loading...