EasyManua.ls Logo

Heraeus HC 0020 - Electrical Circuit Diagrams

Heraeus HC 0020
74 pages
Print Icon
To Next Page IconTo Next Page
To Next Page IconTo Next Page
To Previous Page IconTo Previous Page
To Previous Page IconTo Previous Page
Loading...
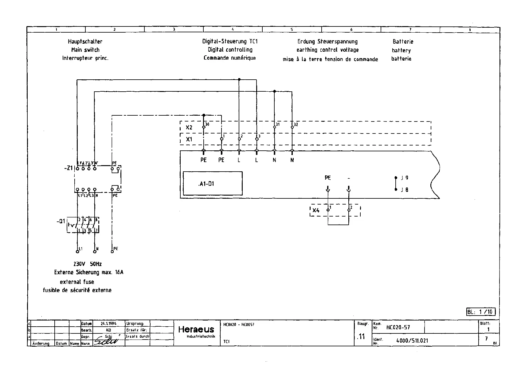
Hauptschatfer
Main switch
Interrupteur princ.
Digital-Steuerung
TC1
Digital controlling
Commande numeYique
Erdung Steuerspannung Batterie
earthing control voltage battery
mise
5 la
terre tension
de
commande batterie
230V 50Hz
Externe Sicherung
max. 16A
external fuse
fusible
de
s&curife' externe
-\
[BL:
1 /10
Anderung Datum
Datum
Bearb.
Name
Gepr.
Norm
24.1.1994
Kii
Ursprung:
Ersatz
fur:
Ersatz durch
Heraeus
Indus trietechnik
HC0020
-
HC0057
TC1
Baugr.
.11
Kofli.
Nr. HC020-57
Ident.
Nr.
4000/511.021
Blaft:
1

Related product manuals