EasyManua.ls Logo

Hermann Supermicra 30 SE - Electrical Diagram (24 SE;30 SE)

Hermann Supermicra 30 SE
44 pages
Print Icon
To Next Page IconTo Next Page
To Next Page IconTo Next Page
To Previous Page IconTo Previous Page
To Previous Page IconTo Previous Page
Loading...
33
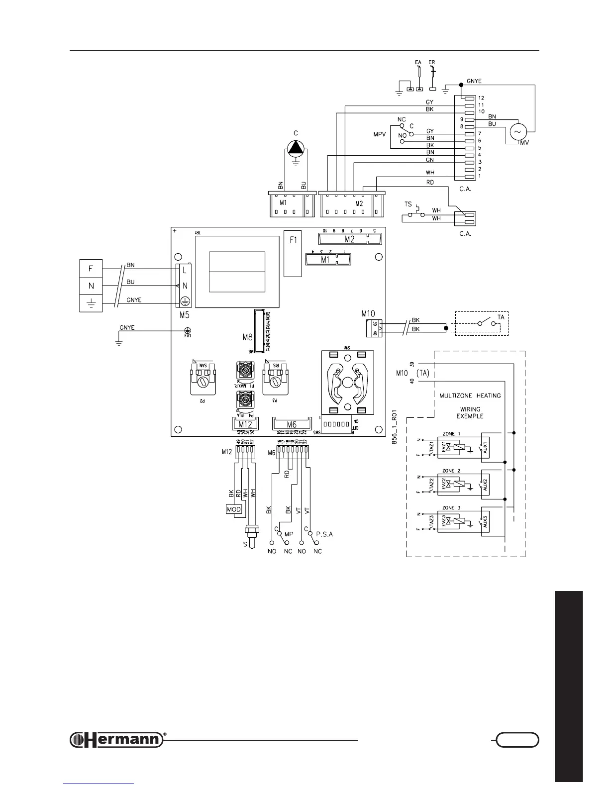
Regulation and servicing
for the technician
C Pump
CA Ignition and flame control unit
EA Ignition electrode
ER Flame sense electrode
F1 Fuse (2 A)
MOD Modulatore
MP DHW priority pressure switch
MPV Flue pressure switch
MV Fan motor
PSA Low water pressure switch
(contact NO closed = in pressure)
S NTC sensor
TA Voltage-free Contact for Room
Thermostat or Cronothermostat
(for trade) (safety extra low voltage
SELV)
TS Safety thermostat
Electric diagram for
SUPERMICRA 24 SE - 30 SE
EVZ1/2/3… Electrovalve
zone 1/2/3…
AUX1/2/3… Auxiliary
contact
for EVZ1/2/3…
TAZ1/2/3… Room
thermostat
for zone 1/2/3…
Colours
abbreviations:
BK Black
BN Brown
BU Blue
GN Green
GNYE Green-Yellow
GY Grey
OG Orange
RD Red
VT Violet
WH White

Related product manuals