EasyManua.ls Logo

Hitachi CG24EKSL - Page 39

Hitachi CG24EKSL
44 pages
Print Icon
To Next Page IconTo Next Page
To Next Page IconTo Next Page
To Previous Page IconTo Previous Page
To Previous Page IconTo Previous Page
Loading...
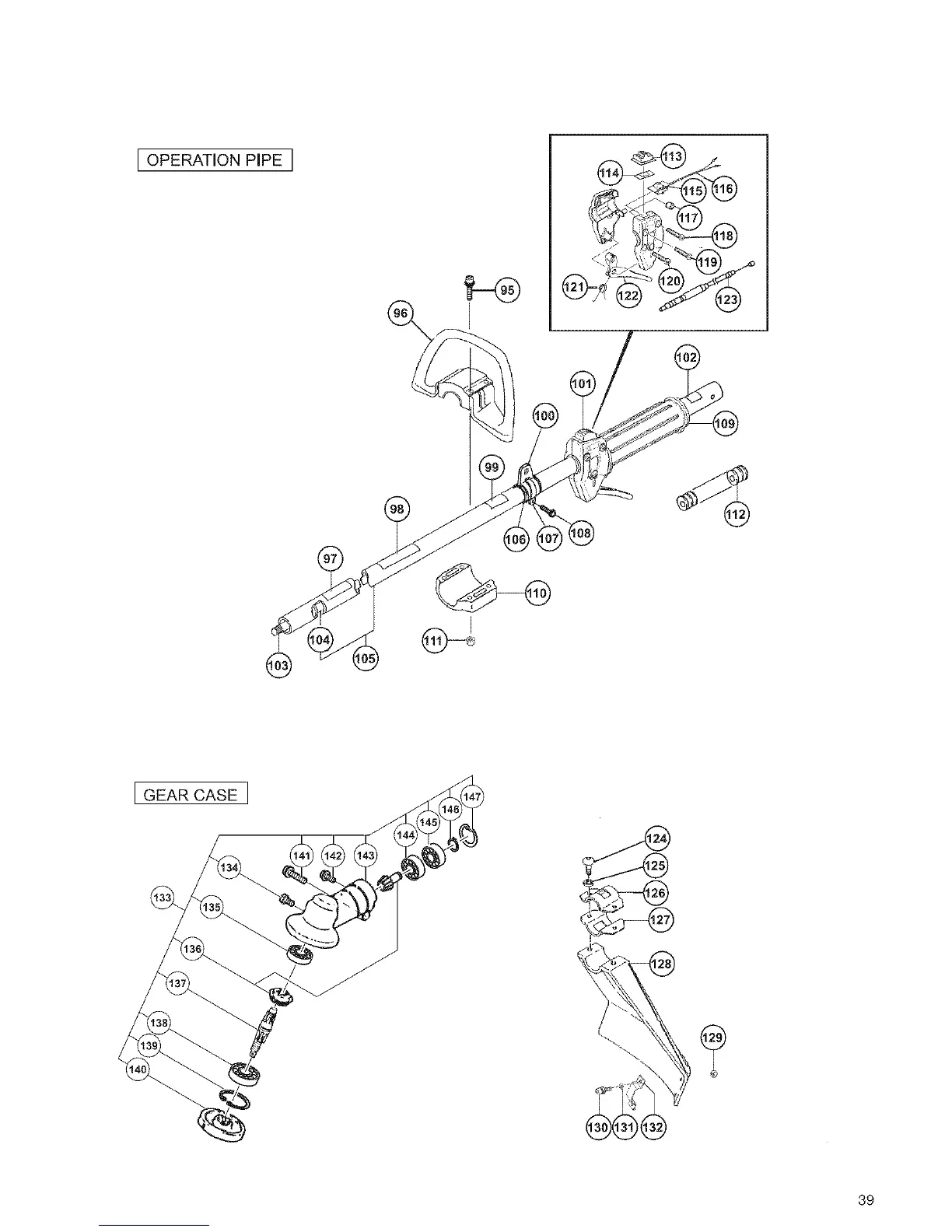
I OPERATION PIPE I
[ GEAR CASE ]
39