EasyManua.ls Logo

Hitachi RAD-50PPD - Page 58

Hitachi RAD-50PPD
142 pages
Print Icon
To Next Page IconTo Next Page
To Next Page IconTo Next Page
To Previous Page IconTo Previous Page
To Previous Page IconTo Previous Page
Loading...
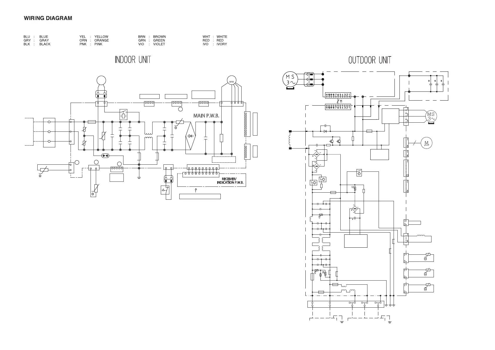
MODELRAD-50PPD/RAC-50PPD&RAD-60PPD/RAC-60PPD
RED
WHT
BLK
OUTDOOR
FAN
MOTOR
EXPANSION
VALVE
25A
FUSE
COMPRESSOR
WHT
WHT
YEL
YEL
RED RED
U
V
W
WHT
BLK
IPMP.W.B
CAPAP.W.B
P(+)
N(-)
BLK
WHT
TAB5
CN22(BLU)
TAB6
TAB7
TAB8
BLK
WHT
CN21(BLU)
U
V
W
CN24
(WHT)
CN15
(WHT)
CN17
(WHT)
EEPROM
CN18
(WHT)
TEST
CN20
(WHT)
MICON
OUTDOOR
TEMPERATURE
THERMISTOR
DEFROST
THERMISTOR
OH
THERMISTOR
REVERSING
VALVE
CN2
(RED)
CN10
(RED)
CN9
(BLK/
BLU)
CN8
(WHT)
BRN
YEL
REACTOR
TAB4
TAB3
SWITCHING
POWER
CIRCUIT
POWER
CIRCUIT
3.15AFUSE
3.15AFUSE
3AFUSE
2AFUSE
BRN BLU BLK
WHT
RED
L N
GRN1
GRN2
GRN3
(GRN
&YEL)
CONNECTION
TOINDOORUNIT
(GRN
&YEL)
POWERSOURCE
DRIVE
CIRCUIT
1 2 3
P
N
6
CN27
(WHT)
SELF-CHECK
MAINP.W.B
11
1
2
3
4
3.15A
FUSE
C112
M
HEX
THERMISTOR
CN3
CN2
BLU
DRAIN PUMP
MOTOR
JOINT
CONNECTOR
TERMINAL
BOARD
CONNECTING
CORD
13
BLK
WHT
RED
VA02
VA01
u
u
u
VA03
C108
C109
L101
1
2
DRAIN PUMP RELAY
NF1
C116
C113
L102
GRN1
1
RECEIVER/
INDICATION P.W.B.
CN16
1
2
CN1
1
4
MOTION
SENSOR
ROOM
THERMISTOR
DB1
+
C201
R103
POWER CIRCUIT
BLK
CN5
WIRED REMOTE
CONTROLLER
6
3
1
1
CN12
TEST/EEPROM
H-LINK
1
6
1
7
2
35
4
8
10
69
1
2
3
4
5
6
7
8
9
CN11A
CN11
INDOOR
FAN MOTOR
WIRELESS REMOTE CONTROL
1
2
1~
FLOAT
SWITCH
C105
CN1102
TH102
CN9
BLK
MAIN P.W.B.
SA01
CN1101
C106
C107
1
2
3
CN4
1
5
CN10
RED
HA / CARD-KEY
1
4
CN25
RUN STATUS

Related product manuals