EasyManua.ls Logo

Hitachi SR-2004 - Page 22

Hitachi SR-2004
Print Icon
To Next Page IconTo Next Page
To Next Page IconTo Next Page
To Previous Page IconTo Previous Page
To Previous Page IconTo Previous Page
Loading...
HITACHI
SR·2004
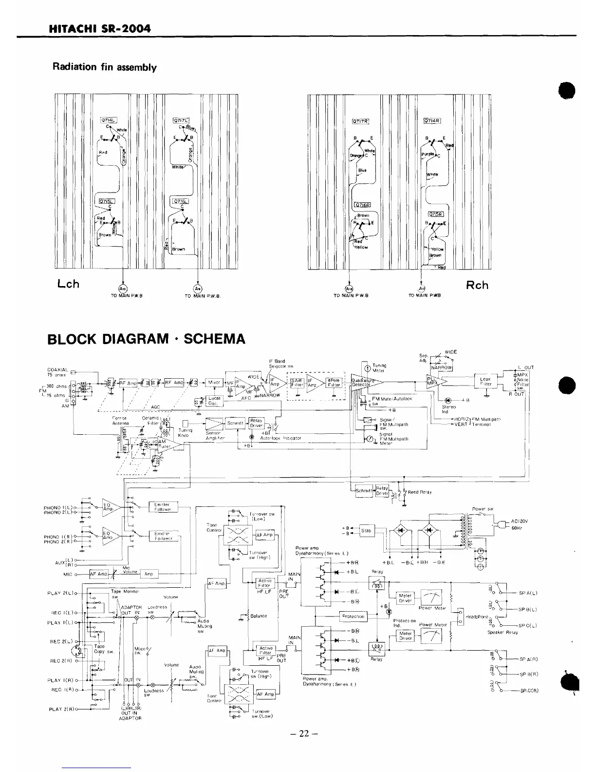
Radiation fin assembly
I -
II II II II
11
A9
"-../
TO MAIN P.W.B.
~l
~~'l~
IIIIII1
[.~IIIIIII
<.
Rch
\~
TO
MAIN
P.W:B
~
TO
MAIN
PW.B
~
E----L8
[QfiTIJ
c
.....
8f!!e
~~
~
TO
MAIN P.W.6
White
lfElill
c
Lch
BLOCK DIAGRAM · SCHEMA
+8(1)
+B:EV
Power
amp.
Dynaharmony
'Series
[)
Pawe...-
amp
Dynaharmony
(Ser
'e,
[)
1--
MAIN
IN
ActiVeL..J
f.rIt~P~
HI'"
LI'" OUT
'PRE.
lOUT
I
~$8alanoe
:
~
REC2(RJ~
REC 2
(Ll
o-I-.U------I--J
'
~
__
J:
J,
,
ir=----------=--=t------
Ih
-
-~
F_~~:I
i-~-
~
==~w
;::::
'I
(Low)
~~g~g
~~
~;~.
~A;;;1r
'0----
1
EmllCe<
I
~~~~rol
AXil.
o---r--o
FOllower
~
I .
1---<>
1/
--J
I I
~
AF
Amp
AUX1~;~---
r I I
guroove,
III
I
M'L
I--<>
sw
(Hlgn)
I
MIC
~~~-
...
Lf\J,,~j
~
~1
~
=r
,--
PLAY
2(LJo---i2=
~,\or
--..
AF
AmP
l
sw
Volume
REC
I(Ll:ttt~
~j\ADAPTOR
Louoness
l'
OUT
IN sw
PLAyl(L)
~
Audio
Muting
SW
-22-

Related product manuals