EasyManua.ls Logo

Holman T710 - Page 18

Holman T710
22 pages
Print Icon
To Next Page IconTo Next Page
To Next Page IconTo Next Page
To Previous Page IconTo Previous Page
To Previous Page IconTo Previous Page
Loading...
PAGE 16
OPERATOR'S MANUAL
HOLMAN CONVEYOR TOASTERS
MODELS T710(H, TW, TX) T714(H, TW, TX) S710(H) S714(H) B710H
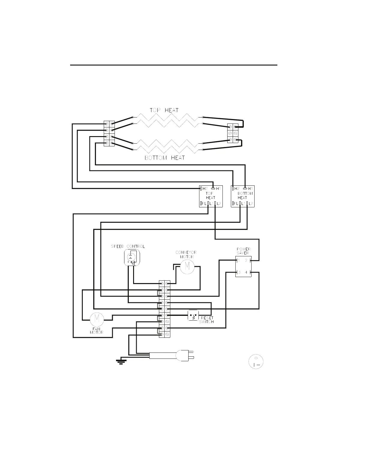
WIRING DIAGRAM FOR MODEL T710(H & TW) 208, 240 VOLT
TX710(H) 208, 240 VOLT
T714(H) 208, 240 VOLT (3.2 KW)
REV. 9/15/98 MJC
H:\TOASTERS\T710\
208VAC\WIRDIAG\
T710SCM.DS4
PLUG CONFIGURATION
NEMA 6-20P
208/240 VOLT
BLUE
220/240
VAC
WHITE
208 VAC
BLACK
COMMON
REVISED 9/10/2008
PAGE 17
OPERATOR'S MANUAL
HOLMAN CONVEYOR TOASTERS

Related product manuals