EasyManua.ls Logo

Honeywell SDC 7-21 - Hydraulics System 0101 (SDC 3-10)

Honeywell SDC 7-21
92 pages
Print Icon
To Next Page IconTo Next Page
To Next Page IconTo Next Page
To Previous Page IconTo Previous Page
To Previous Page IconTo Previous Page
Loading...
SDC Εφαρμογές θέρμανσης / Heating applications
MU1H-0438GE51 R0313 47
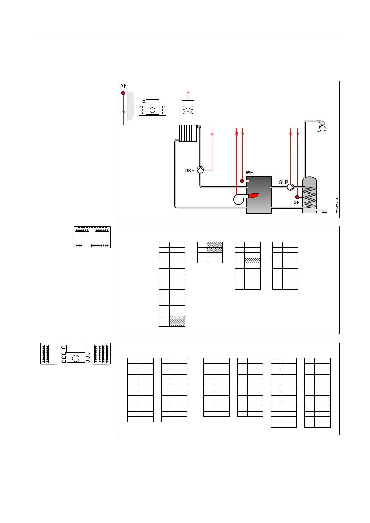
10.2 Υδραυλικό σύστημα 0101 (SDC 3-10)
Hydraulics 0101 (SDC 3-10)
X 1 X 2 X 3 X 4
23 GND 19 1 T2 10
24 BUS A 20 2 T1 11
25 BUS B 21 N 3 DKP 12
26 AF 22 L1 4 13
27 WF 5 SLP 14
28 SF 6 L 1 15
29 7 16
30 8 17
31 9 18
32
33
34
35
36
37
38
X 5 X 6 X 7 X 8 X 9 X 10
1 Bus B 1 Bus A 1 T1 1 T2 1 N 1 PE
2 GND 2 AF 2 2 DKP 2 N 2 PE
3 GND 3 WF 3 3 SLP 3 N 3 PE
4 GND 4 SF 4 4 4 N 4 PE
5 GND 5 5 L 1 5 5 N 5 PE
6 GND 6 6 6 6 N 6 PE
7 GND 7 7 7 7 N 7 PE
8 GND 8 8 8 8 N 8 PE
9 GND 9 9 9 9 N 9 PE
10 GND 10 10 10 10 N 10 PE
11 GND 11 11 11 11 N 11 PE
12 GND 12 12 N 12 PE
13 N 13 PE
Pos: 20 /156-Honeywell/ Montage/020 1/SDC9-21 @ 1\mod_120765 2467791_2 58.doc @ 102 58
X1X2
X4
X3

Table of Contents

Related product manuals