EasyManua.ls Logo

Honeywell SDC 7-21 - Page 70

Honeywell SDC 7-21
92 pages
Print Icon
To Next Page IconTo Next Page
To Next Page IconTo Next Page
To Previous Page IconTo Previous Page
To Previous Page IconTo Previous Page
Loading...
Εφαρμογές θέρμανσης / Heating applications SDC
70 MU1H-0438GE51 R0313
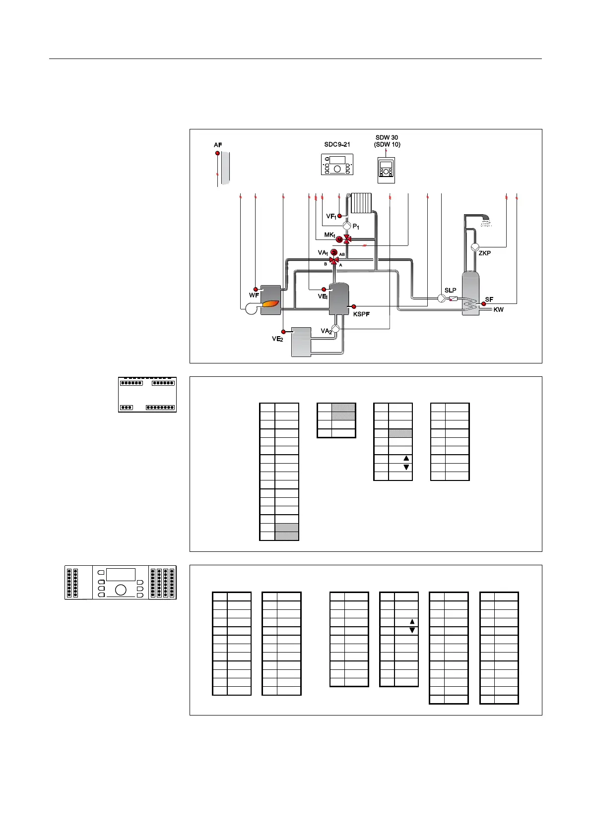
10.13 Υδραυλικό σύστημα 0407 (SDC 9-21)
Hydraulics 0407 (SDC 9-21)
X 1 X 2 X 3 X 4
23 GND 19 1 T2 10 VA1
24 BUS A 20 2 T1 11 VA2
25 BUS B 21 N 3 ZKP 12 L1
26 AF 22 L1 4 13
27 WF 5 SLP 14
28 SF 6 L 1 15
29 VF1 7 MK1 16
30 VE1 8 MK1 17
31 VE2 9 P1 18
32
33
34
35 KSPF
36
37
38
X 5 X 6 X 7 X 8 X 9 X 10
1 Bus B 1 Bus A 1 T1 1 T2 1 N 1 PE
2 GND 2 AF 2 2 ZKP 2 N 2 PE
3 GND 3 WF 3 3 SLP 3 N 3 PE
4 GND 4 SF 4 4 MK1 4 N 4 PE
5 GND 5 VF 1 5 L 1 5 MK1 5 N 5 PE
6 GND 6 VE1 6 6 P 1 6 N 6 PE
7 GND 7 VE2 7 7 VA1 7 N 7 PE
8 GND 8 8 8 VA2 8 N 8 PE
9 GND 9 9 9 9 N 9 PE
10 GND 10 10 10 10 N 10 PE
11 GND 11 KSPF 11 11 11 N 11 PE
12 GND 12 12 N 12 PE
13 N 13 PE
Εισαγωγή παραμέτρων βλ. 10.13.1 σελ. 71.
For parameter entry, see 10.13.1 pg. 71.
X1X2
X4
X3
ΥΠΟΔΕΙΞΗ
NOTE

Table of Contents

Related product manuals