EasyManua.ls Logo

Honeywell SDC 7-21 - Hydraulics System 0501 (SDC 7-21; SDC 9-21, DHC mode)

Honeywell SDC 7-21
92 pages
Print Icon
To Next Page IconTo Next Page
To Next Page IconTo Next Page
To Previous Page IconTo Previous Page
To Previous Page IconTo Previous Page
Loading...
Εφαρμογές τηλεθέρμανσης / District heating applications SDC
74 MU1H-0438GE51 R0313
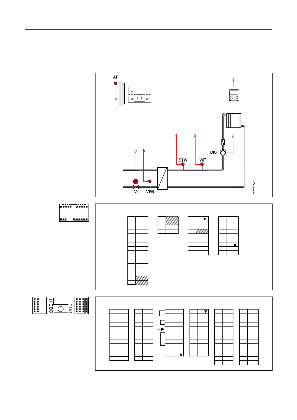
11.2 Υδραυλικό σύστημα 0501 (SDC 7-21 / SDC 9-21, τρόπος
λειτουργίας DHC)
Hydraulics 0501 (SDC 7-21 / SDC 9-21, DHC mode)
X 1 X 2 X 3 X 4
23 GND 19 1 V 1 10
24 BUS A 20 2 L 1 11
25 BUS B 21 N 3 DKP 12
26 AF 22 L 1 4 13
27 WF 5 14
28 6 L 1 15
29 7 16 V 1
30 8 17
31 9 18 L 1
32 VFB
33
34
35
36
37
38
X 5 X 6 X 7 X 8 X 9 X10
1 Bus B 1 Bus A 1 1 V 1 1 N 1 PE
2 GND 2 AF 2 2 DKP 2 N 2 PE
3 GND 3 WF 3 3 3 N 3 PE
4 GND 4 4 4 4 N 4 PE
5 GND 5 5 L 1 5 5 N 5 PE
6 GND 6 6 6 6 N 6 PE
7 GND 7 7 7 7 N 7 PE
8 GND 8 VFB 8 8 8 N 8 PE
9 GND 9 9 9 9 N 9 PE
10 GND 10 10 10 10 N 10 PE
11 GND 11 11 V 1 11 11 N 11 PE
12 GND 12 12 N 12 PE
13 N 13 PE
Pos: 34 /156-Honeywell/ Montage/050 2/SDC7-21 @ 1\mod_120765 3215525_2 58.doc @ 104 50
X1X2
X4
X3

Table of Contents

Related product manuals