EasyManua.ls Logo

Hoover CH83 - Page 6

Hoover CH83
10 pages
Print Icon
To Next Page IconTo Next Page
To Next Page IconTo Next Page
To Previous Page IconTo Previous Page
To Previous Page IconTo Previous Page
Loading...
Page 5
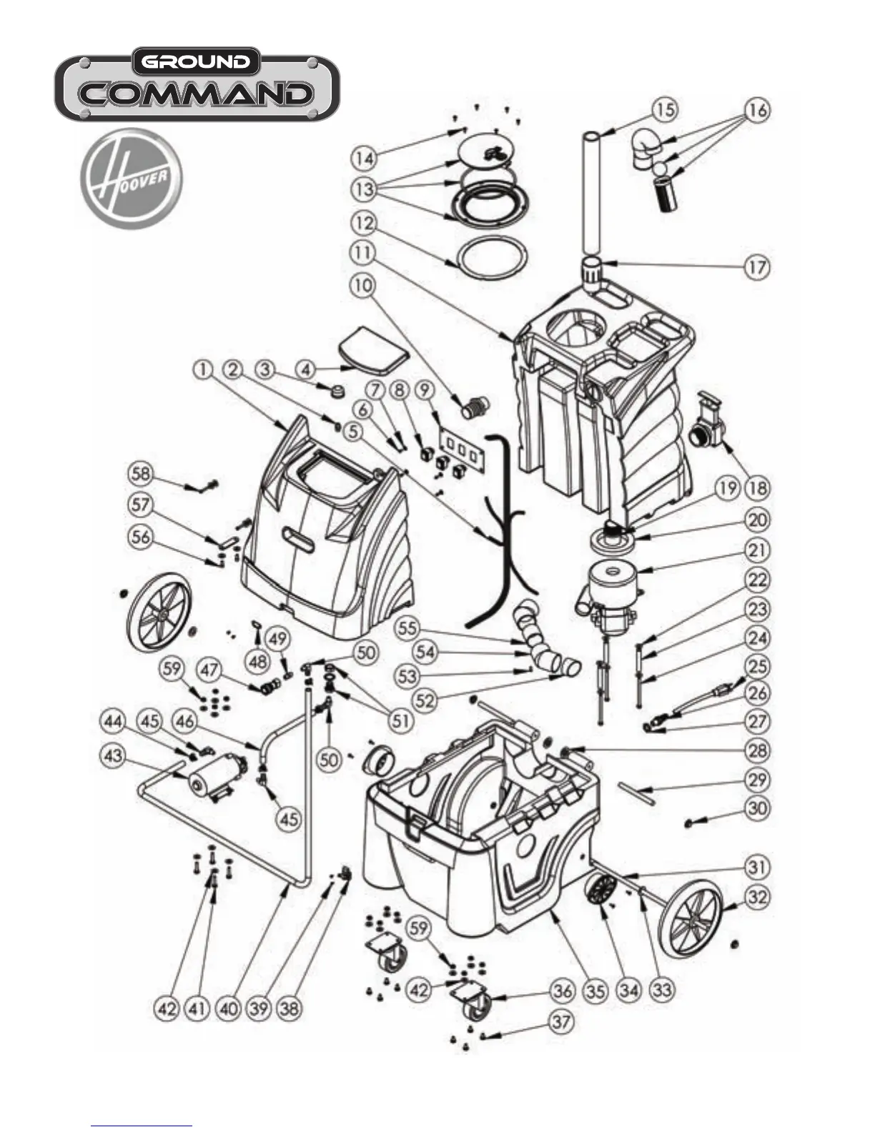
Ground Command - CH83010 Schematic Drawing

Related product manuals