EasyManua.ls Logo

Hotblast 1300 - Locating the Furnace

Default Icon
32 pages
Print Icon
To Next Page IconTo Next Page
To Next Page IconTo Next Page
To Previous Page IconTo Previous Page
To Previous Page IconTo Previous Page
Loading...
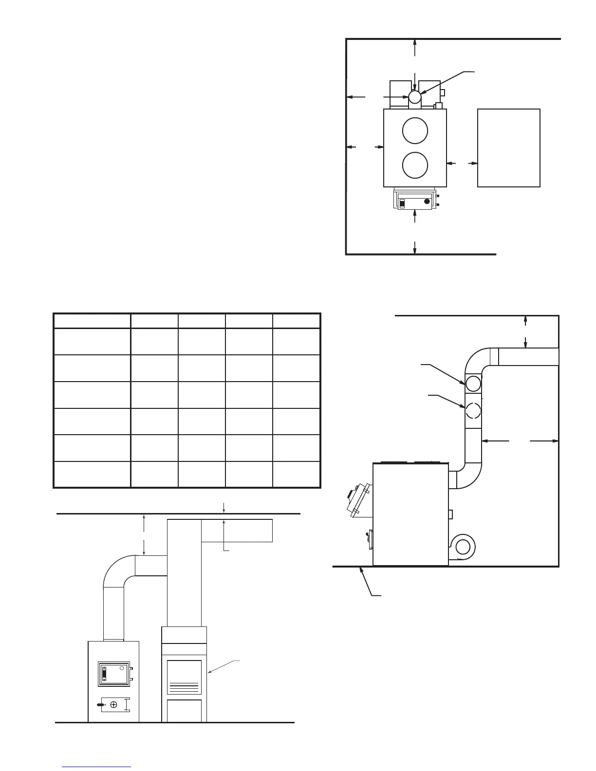
Locating the Furnace
1. The furnace should be located in the same
room as the central system and as close as
possible, but not closer than 9". There should
be no wall between the furnace and the warm
air outlet duct that is connected directly to the
warm air outlet plenum of the central furnace.
(See Fig. 4)
2. Place the furnace on a noncombustible oor.
3. Check gures 3 through 5. Be sure you have
the clearances shown below from the furnace
and the connector pipe to combustible sur-
faces. If you have a solid brick or stone wall
behind your furnace, you can place the furnace
as close as you wish to the wall. If the wall
is only faced with brick or stone, treat it as a
combustible wall.
18"
18"
6" SOLID DAMPER
6" BAROMETRIC
DRAFT REGULATOR
NON-COMBUSTIBLE FLOOR
12"
9"
48"
18"
CENTRAL
FURNACE
6" CHIMNEY
21"


1300 1400 1500 1537G
Unit to Sidewall
12"
(305mm)
12"
(305mm)
12"
(305mm)
12"
(305mm)
Unit to Backwall
30"
(760mm)
30"
(760mm)
30"
(760mm)
30"
(760mm)
Front of Unit to
Combustible
48"
(1.22m)
48"
(1.22m)
48"
(1.22m)
48"
(1.22m)
Chimney Pipe
to Sidewall
18"
(460mm)
18"
(460mm)
21"
(530mm)
21"
(530mm)
Chimney Pipe
to Backwall
18"
(460mm)
18"
(460mm)
18"
(460mm)
18"
(460mm)
Plenum to
Combustibles
6"
(150mm)
6"
(150mm)
6"
(150mm)
6"
(150mm)
2" MIN. AIR SPACE
REQUIRED BY CODE
CENTRAL
FURNACE
6" MIN.
PLENUM
TO
CEILING


Related product manuals