EasyManua.ls Logo

HP Laser Jet 5550

HP Laser Jet 5550
558 pages
To Next Page IconTo Next Page
To Next Page IconTo Next Page
To Previous Page IconTo Previous Page
To Previous Page IconTo Previous Page
Loading...
Failure detection (HP Color LaserJet 5550 models)
The main CPU determines an abnormally high temperature when the main thermistor
detects the following conditions:
After the printer is turned on, if the temperature detected by the main thermistor remains
higher than (220°C) (428°F) (equivalent to approximately 1.05 V) for longer than 500 ms.
During the temperature adjustment of the fixing unit, if the output of the fixing
temperature control (TMPCON) signal remains at0 for longer than 390 seconds.
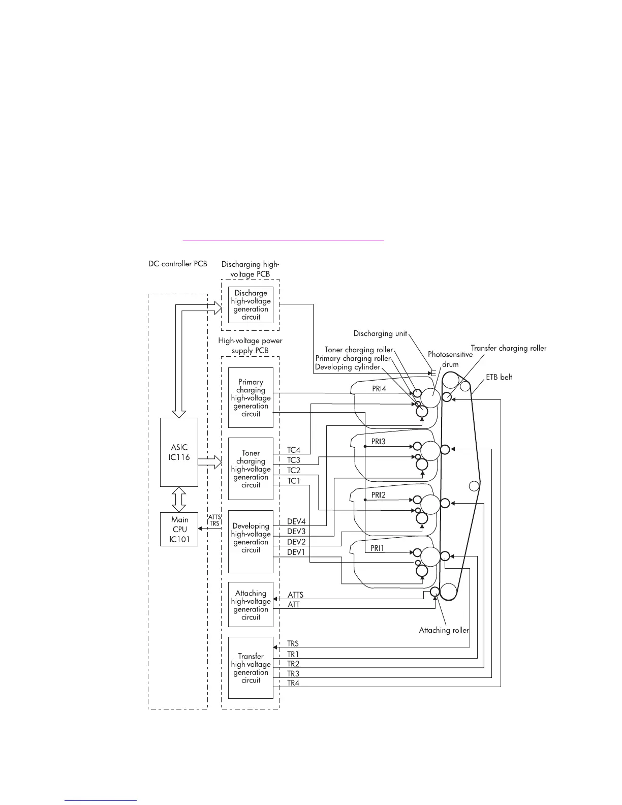
High-voltage power supply
The high-voltage power supply circuit applies bias to the primary charging rollers, the toner
charging rollers, the developing cylinders, the attaching roller, the transfer charging rollers,
and the discharging unit. The main CPU in the DC controller controls the high-voltage power
supply circuit and the discharging high-voltage circuit through the ASIC to generate these
biases.
Figure 5-7. High-voltage power supply circuit shows the high-voltage power supply
circuit.
Figure 5-7.
High-voltage power supply circuit
138 Chapter 5 Theory of operation ENWW

Related product manuals