EasyManua.ls Logo

HUSABERG FC 550/4 - Wiring Diagrams (FC;FX Models)

HUSABERG FC 550/4
34 pages
Print Icon
To Previous Page IconTo Previous Page
To Previous Page IconTo Previous Page
Loading...
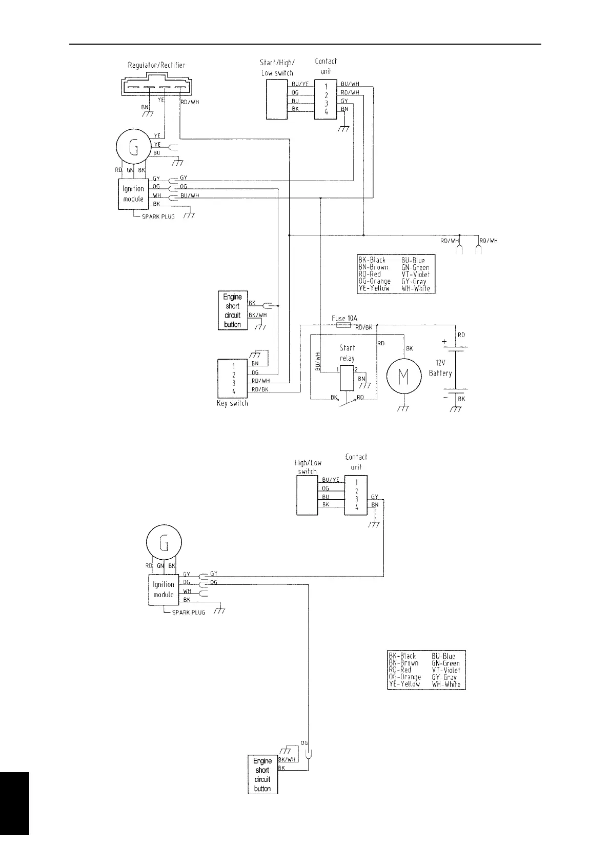
WIRING DIAGRAMS
34
12
FC and FX electrical starter models
FC and FS kick-starter models
12

Other manuals for HUSABERG FC 550/4

Related product manuals