EasyManua.ls Logo

Husqvarna YTH1746 - Page 44

Husqvarna YTH1746
48 pages
Print Icon
To Next Page IconTo Next Page
To Next Page IconTo Next Page
To Previous Page IconTo Previous Page
To Previous Page IconTo Previous Page
Loading...
44
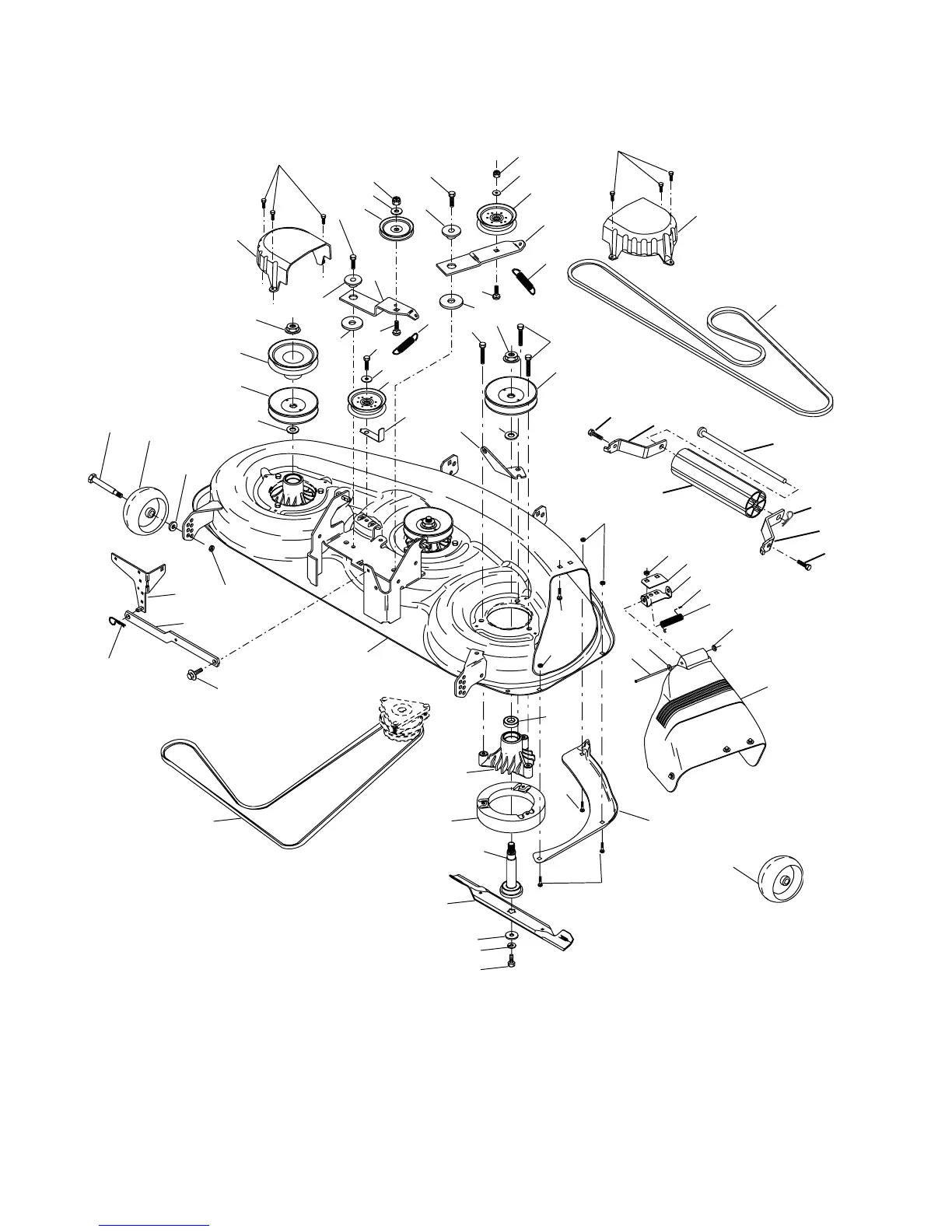
REPAIR PARTS
TRACTOR - MODEL NO. YTH1746 (YTHK1746A), PRODUCT NO. 954 56 85-33
MOWER DECK
46
45
33
49
41
42
49
36
37
43
40
50
44
33
30
30
32
21
21
22
23
24
25
26
20
27
28
29
18
18
21
34
31
127
41
42
44
35
50
40
126
72
52
38
1
39
32
31
36
18
8
9
10
11
13
16
48
19
5
6
3
14
15
46
45
47
119
118
117
116
117
132
91
94
182
95
183
132

Related product manuals