EasyManua.ls Logo

Hussmann Q3SSM6S - Page 36

Hussmann Q3SSM6S
44 pages
Print Icon
To Next Page IconTo Next Page
To Next Page IconTo Next Page
To Previous Page IconTo Previous Page
To Previous Page IconTo Previous Page
Loading...
P/N 0562873_M U.S. & Canada 1-800-922-1919 • Mexico 1-800-890-2900 • www.hussmann.com
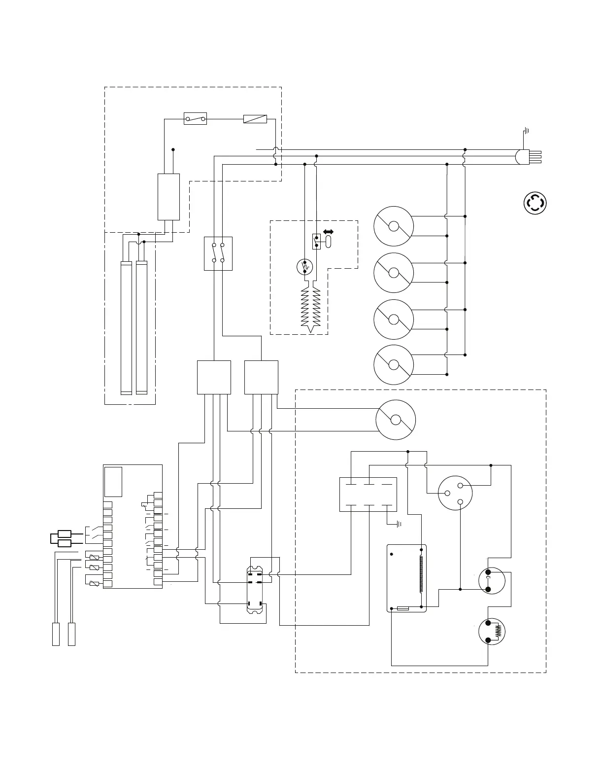
5-10 sErvIcE tEchnIcal Data
COM
NO
COM
NO
0
1
84
62
CANOPY LED
CANOPY LED
POWER
SUPPLY
EVAPORATOR
FANS
RELAY
COMPRESSOR
BK
W
BK
R
BK
R
R
BK
BK
R
MODEL: Q1SSM8S
SWITCH
FUSE
ORG
BK
W
BL
R
R
GR
R
EVAPORATOR
PAN
BK
R
NEMA
L14-30 P
230V
60HZ
1HP
SWITCH
S3
S1
S2
S4
FLOAT
SWITCH
SAFETY
SWITCH
BK
W
0559183_H
R
W
START
CAPACITOR
C
S
R
L1
L2
COMPRESSOR
CONDENSER
FAN
BK
R
UNIT CONDENSER
POTENTIAL
RELAY
1
2
5
4
RUN
CAPACITOR
R
BL
Y
BK
R
OPTIONAL LED
WARNING
UNPLUG THE UNIT BEFORE SERVICING
ATTENTION
DÉBRANCHER L´APPAREIL AVANT DE FAIRE L´ENTRETIEN
PRECAUCIÓN
DESCONECTAR EL EQUIPO ANTES DE HACER CUALQUIER
REPARACIÓN
13 14 15 16 17 18 19 20
1
2
3
4
56789 10 11 12
230 V
DO1
DO2
DO3
DO4
S3
S4
S5
DI1 DI2
SENSOR TEMP.
SENSOR DEFROST
CONTROL AK-CC210
CONTROL
TEMPERATURE
W
W
R
R
B LB K
R
BK
OPTIONAL KIT
LP
PRESSURE
SWITCHES
HP

Related product manuals