EasyManua.ls Logo

Hussmann Q3SSM6S - Page 37

Hussmann Q3SSM6S
44 pages
Print Icon
To Next Page IconTo Next Page
To Next Page IconTo Next Page
To Previous Page IconTo Previous Page
To Previous Page IconTo Previous Page
Loading...
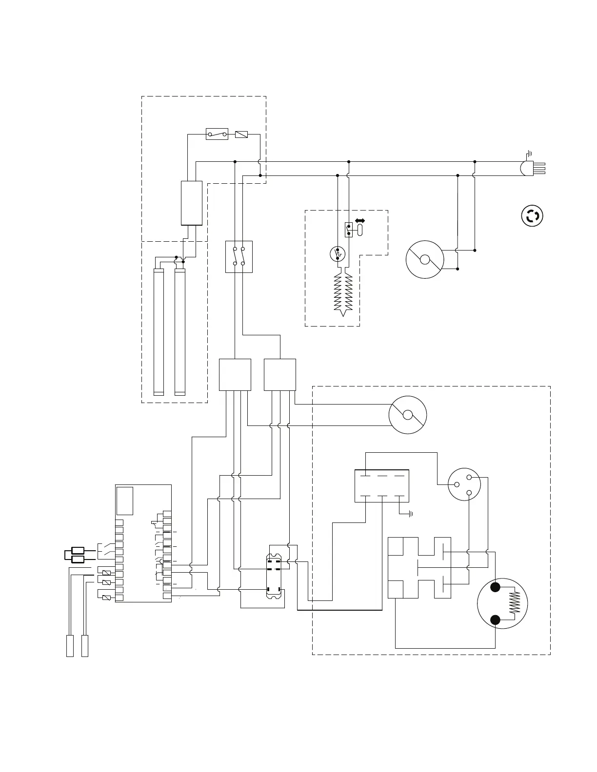
HUSSMANN CORPORATION • BRIDGETON, MO 63044-2483 U.S.A.
Q1, Q2, Q3 Merchandisers
P/N 0562873_M 5-11
COM
NO
POWER
SUPPLY
1
2
4
START
CAPACITOR
C
S
R
L1
L2
GR
EVAPORATOR
FANS
RELAY
COMPRESSOR
COMPRESSOR
CONDENSER
FAN
BK
BK
W
BK
W
BK
W
W
BK
BK
MODEL: Q2-SS-2S
SWITCH
FUSE
BK
W
3081339_C
BL
R
R
GR
BK
W
BK
BK
W
SWITCH
S3
S1
S2
S4
UNIT CONDENSER
W
EVAPORATOR
PAN
FLOAT
SWITCH
SAFETY
SWITCH
BK
CANOPY LED
BK
R
Y
W
WARNING
UNPLUG THE UNIT BEFORE SERVICING
ATTENTION
DÉBRANCHER L´APPAREIL AVANT DE FAIRE L´ENTRETIEN
PRECAUCIÓN
DESCONECTAR EL EQUIPO ANTES DE HACER CUALQUIER
REPARACIÓN
COM
NO
COM
NO
0
1
84
6
2
RELAY
COMPRESSOR
W
13 14 15 16 17 18 19 20
12345678
9 10 11 12
230V
DO1
DO2
DO3
DO4
S3
S4
S5
DI1 DI2
SENSOR TEMP.
CONTROL AK-CC210
CONTROL
TEMPERATURE
W
W
R
R
W
BK
BL BK
SENSOR DEFROST.
OPTIONAL
CANOPY LED
NEMA
L5-30P
115V
60HZ
1HP
OPTIONAL
LP
PRESSURE
SWITCHES
HP

Related product manuals