EasyManua.ls Logo

HUSTLER 939769 - Deck Belt, Pulley Covers & Blades

HUSTLER 939769
80 pages
Print Icon
To Next Page IconTo Next Page
To Next Page IconTo Next Page
To Previous Page IconTo Previous Page
To Previous Page IconTo Previous Page
Loading...
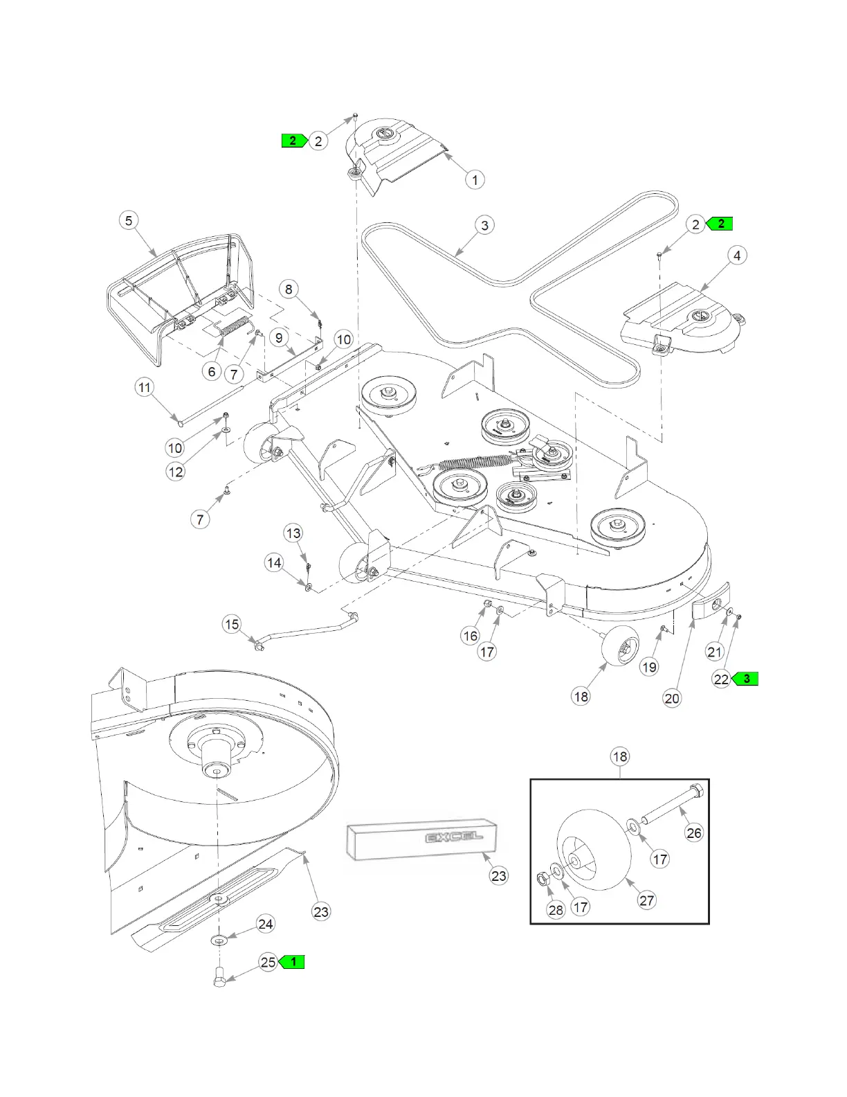
Deck, Deck Belt, Blades & Deck Lift
Deck Belt, Pulley Covers & Blades
60" Raptor XD Parts Manual - 939769 - HTRXDS060KAWFR730VA
Wed Nov 10 15:33:25 UTC 2021 8-4

Related product manuals