EasyManua.ls Logo

Hydro atos E-ME-AC-05F - E-BM-AC Important Instructions

Default Icon
42 pages
Print Icon
To Next Page IconTo Next Page
To Next Page IconTo Next Page
To Previous Page IconTo Previous Page
To Previous Page IconTo Previous Page
Loading...
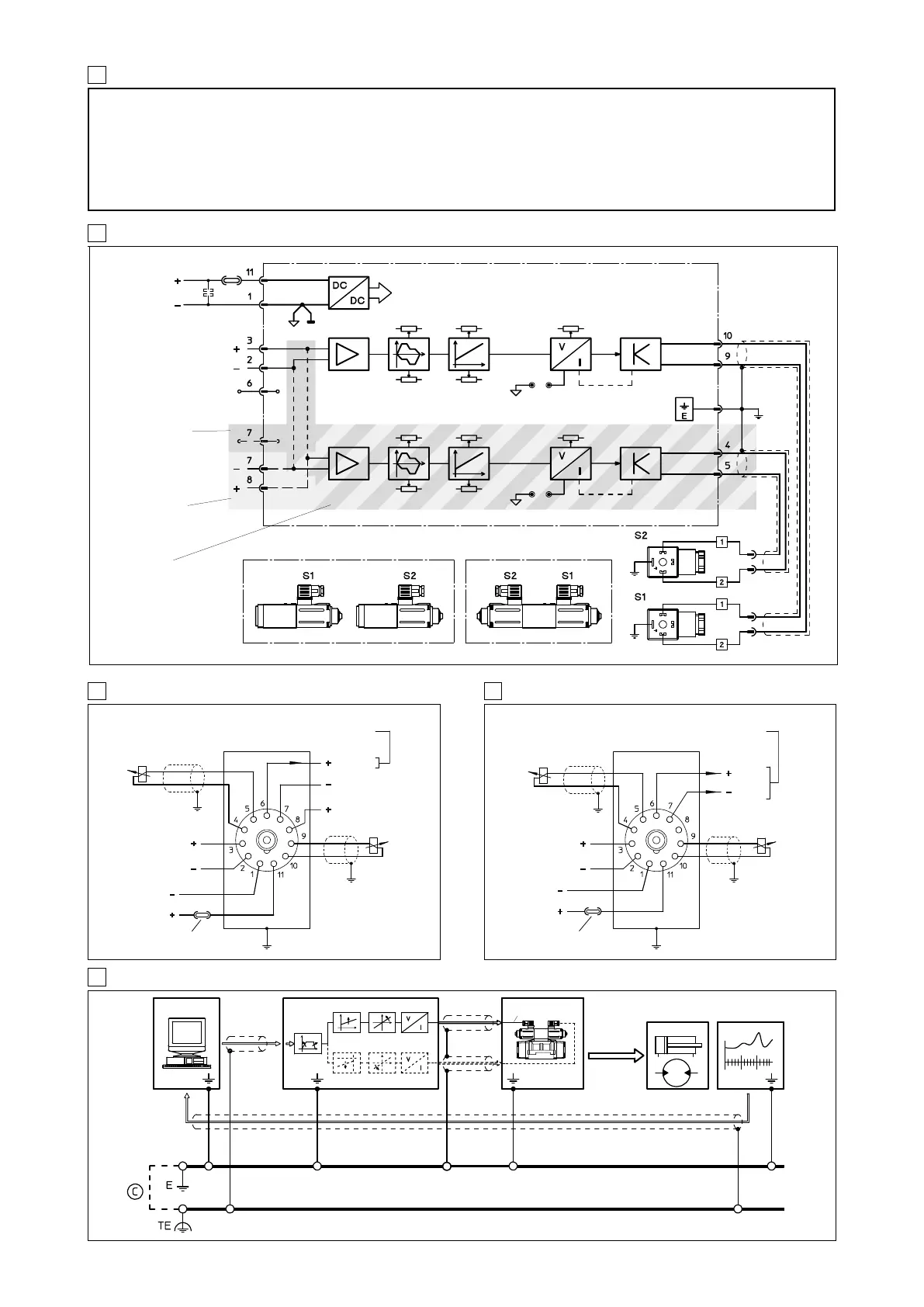
13 E-BM-AC-0*F WIRING BLOCK DIAGRAM
07/09
14 E-BM-AC-01F and E-BM-AC-011F GENERAL CONNECTIONS
15 E-BM-AC-05F and E-BM-AC-01F/*B GENERAL CONNECTIONS
EXTERNAL FUSE
2,5 A RVT
GND
5V
DC
(10 mA)
5V
DC
(10 mA)
COIL S1
POWER SUPPLY
24 V
DC
± 20%
POWER GND
EXTERNAL
REFERENCE
SIGNAL
RAMP UP
RAMP UP
RAMP DOWN
RAMP DOWN
SCALE DITHER
SCALE
DEAD BAND
DEAD BAND
CURRENT
FEEDBACK
CURRENT
FEEDBACK
DITHER
INTERNAL POWER
SUPPLY
+5V (10mA)
SIGNAL GND
R1
EXTERNAL
FUSE
SIGNAL
SIGNAL
EXTERNAL
REFERENCE
SIGNAL
R2
SIGNAL
SIGNAL
0 V
DC
TEST POINTS
GND OUT (V=I)
TEST POINTS
GND OUT (V=I)
+5 V
4700 µF / 40 V
SHIELD
COIL S2 (*)
EXTERNAL
POTENTIOMETER
SUPPLY
INPUT
SIGNAL R1
±5 V
24 V
DC
(2A)
EXTERNAL FUSE
5 A RVT (*)
POWER GND
5V (10 mA)
COIL S1
COIL S2 (*)
EXTERNAL
POTENTIOMETER
SUPPLY
INPUT
SIGNAL R1
0 ÷ +5 V
24 V
DC
(2A)
(*) For version E-BM-AC-01F:
- do not connect 4,5,7,8
- the external fuse is of 2,5 A
INPUT
SIGNAL R2
0 ÷ +5 V (*)
(*) For version E-BM-AC-01F/*B do not
connect 4, 5
ELETTROMAGNETIC COMPATIBILITY
Atos electronic drivers and proportional valves are designed according to the 2004/108/CE Directive (Electromagnetic Compatibility) and according
to EN 50081-2 (Emission) and EN 50082-2 (Immunity) standards. The electromagnetic compatibility of electronic drivers is valid only for wirings
realized according to the typical electric connections shown in this technical table.
The device must be verified on the machine because the magnetic field may be different from the test conditions.
SAFETY
The electrical signals (for example reference signals, feedback and enable signal) of electronic drivers must not be used to realize safety condi-
tions of the machine. This is in accordance with the provisions of european directives (Safety requirements of fluid technology systems and com-
ponents-hydraulics, EN 982). Special attention must be payed to switch-on/switch-off of electronic drivers because they could produce uncontrol-
led movements of actuators operated by the proportional valves.
12 IMPORTANT INSTRUCTIONS
-5V (10mA)
-5 V
TWO SINGLE SOLENOID VALVES (2x 01F or 1x 011F VERSION) DOUBLE SOLENOID VALVE (05F VERSION)
16 EARTH CONNECTIONS
CONTROL UNIT
E-BM-AC-0*F
PROPORTIONAL VALVE
DRIVING CURRENT
TRANSDUCERACTUATORS
RAMPS
CURRENT
AMPLIFIER
SCALE
E: PROTECTIVE EARTH TE: NOISELESS EARTH : ALTERNATIVE BONDING CONNECTION TO NOISELESS EARTH TERMINAL
BIAS
CURRENT
AMPLIFIER
SCALEBIAS
DRIVING CURRENT
CONNECTORS TYPE SP-666 (see K500 table)
NOTE: S1 and S2 solenoids are referred respectively to B port side and A port side.
ONLY FOR
05F VERSION
ONLY FOR
011F VERSION
011F AND 05F
VERSIONS
COIL S1
COIL S2

Table of Contents

Related product manuals