EasyManua.ls Logo

I-Gard SIGMA 3 - 3.2 Ground Fault Detection

I-Gard SIGMA 3
35 pages
Print Icon
To Next Page IconTo Next Page
To Next Page IconTo Next Page
To Previous Page IconTo Previous Page
To Previous Page IconTo Previous Page
Loading...
4
DANGER
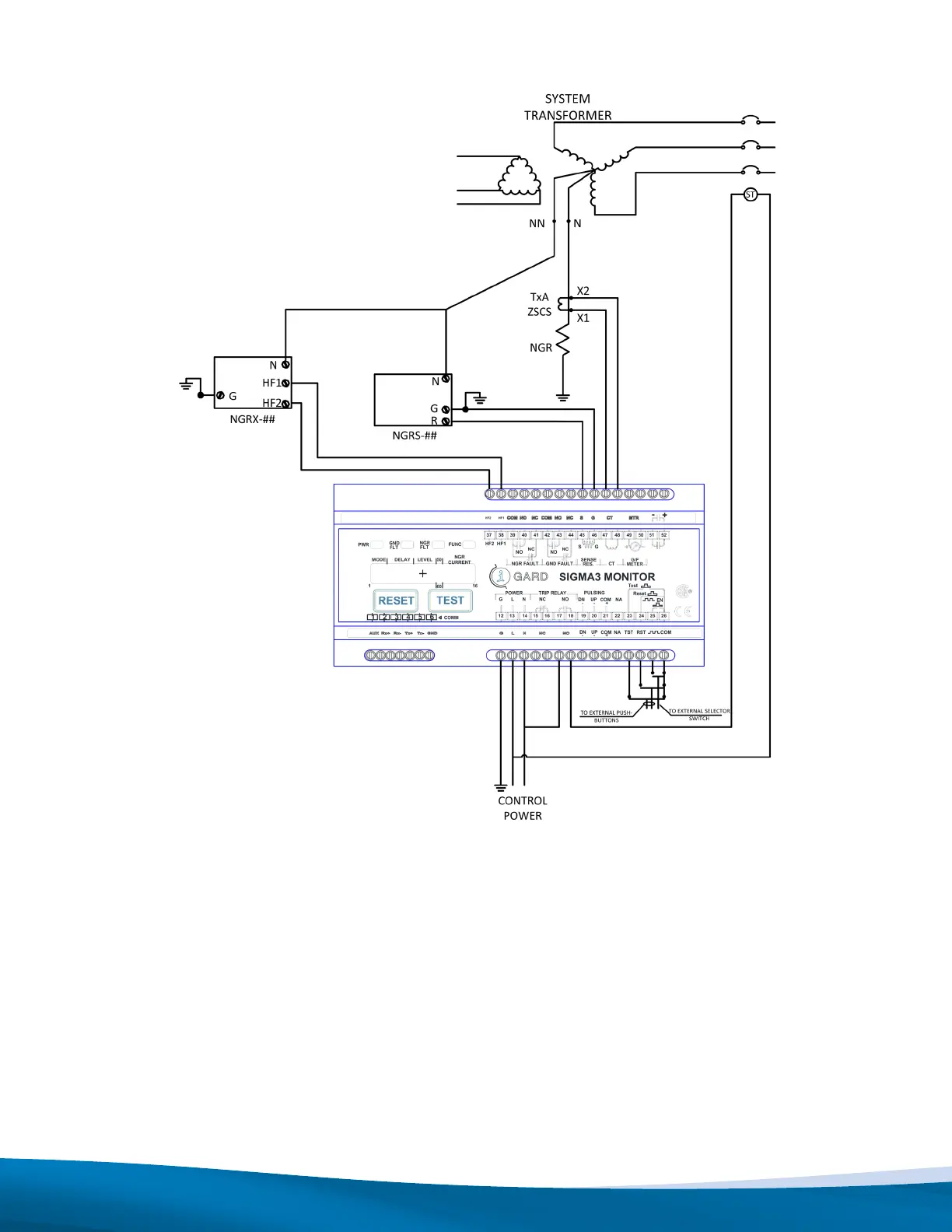
Figure 3.2: Sigma 3 Typical System Diagram (LRG System)
3.2 Ground Fault Detection
The Sigma 3 monitor detects ground faults by measuring the current through the NGR using the zero sequence
current sensor (TxA or Rx-yA sensors). When the measured value exceeds the set-point the GND FLT LED
illuminates, the GND FLT form-C contact energizes, and the trip relays energize.
The Sigma 3’s NGR let-through current setting is set by DIP switch to match the rating of the NGR. The trip level
is DIP switch selectable as a percentage of the NGR let-through current setting and can be set as: 5%, 10%, 15%,
20%, 25%, 30%, 40%, and 50%.
The ground fault trip delay setting denes the length of time that a ground fault must persist before the fault is
qualied as such. This setting is DIP switch selectable from its minimum setting of 60 milliseconds to 3.15 seconds.

Related product manuals