EasyManua.ls Logo

IBM iSeries 800 - Page 6

IBM iSeries 800
306 pages
Print Icon
To Next Page IconTo Next Page
To Next Page IconTo Next Page
To Previous Page IconTo Previous Page
To Previous Page IconTo Previous Page
Loading...
For additional information about using the Control Panel, see SRC address
formats.
Continue with the next step for instructions on finding and using the SRC
tables.
2. Links to all of the SRC tables can be found in the System reference code list.
Once you find the correct SRC table, correct the problem by performing the
action indicated for the URC in the Description/Action column of the table. If
this does not correct the problem, exchange the failing items or parts listed in
the Failing Item column in the order that they are listed.
If no action is indicated in the SRC table, exchange the failing items or parts
listed in the table.
Notes:
a. When exchanging the failing items, use the Remove and replace procedures.
b. When instructed to perform problem isolation procedures, go to the
Problem isolation procedures.
c. Any additional information you need to complete the procedure, may be
found in the Part locations and listings.
The failing item listed first should be exchanged first. If exchanging the first
failing item does not correct the problem, reinstall the original item and
exchange the next failing item listed. Continue to exchange and reinstall the
failing items, one at a time, until the problem is corrected. If exchanging the
failing items does not correct the problem, ask your next level of support for
assistance.
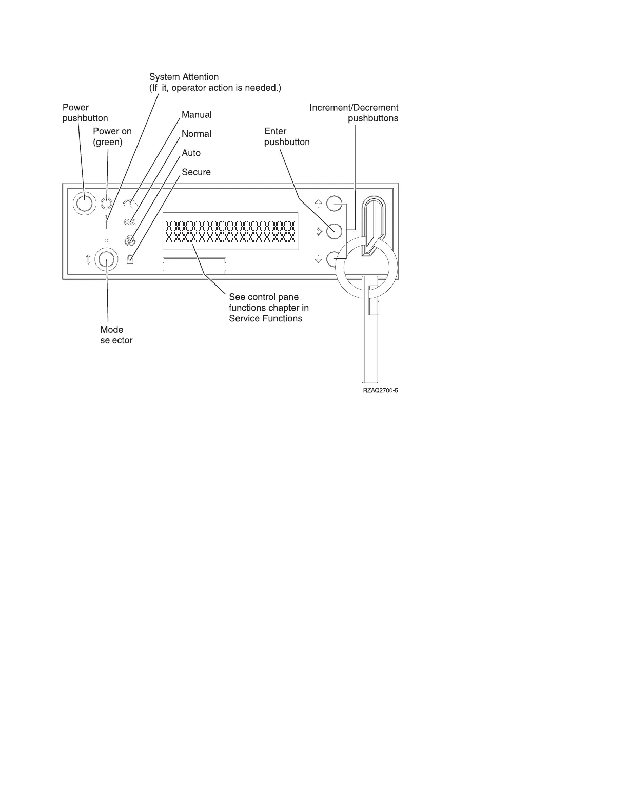
Figure 1. System Unit Control Panel layout
2 iSeries: iSeries 270, 800, 810, 820, 825, 830, 840, 870, 890, SB2, and SB3 Analyze Hardware Problems (System Reference Codes)

Table of Contents

Other manuals for IBM iSeries 800

Related product manuals