EasyManua.ls Logo

IBM Power 750 Express 8233-E8B - Page 31

IBM Power 750 Express 8233-E8B
336 pages
Print Icon
To Next Page IconTo Next Page
To Next Page IconTo Next Page
To Previous Page IconTo Previous Page
To Previous Page IconTo Previous Page
Loading...
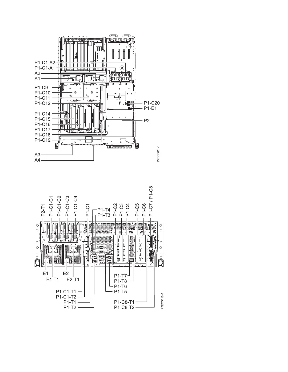
Stand-alone views for the 8202-E4C or 8205-E6D
Figure 10. Rack upper view
Figure 11. Rack rear view
Finding parts, locations, and addresses 19

Table of Contents

Related product manuals