EasyManua.ls Logo

IBM Power 750 Express 8233-E8B - Page 32

IBM Power 750 Express 8233-E8B
336 pages
To Next Page IconTo Next Page
To Next Page IconTo Next Page
To Previous Page IconTo Previous Page
To Previous Page IconTo Previous Page
Loading...
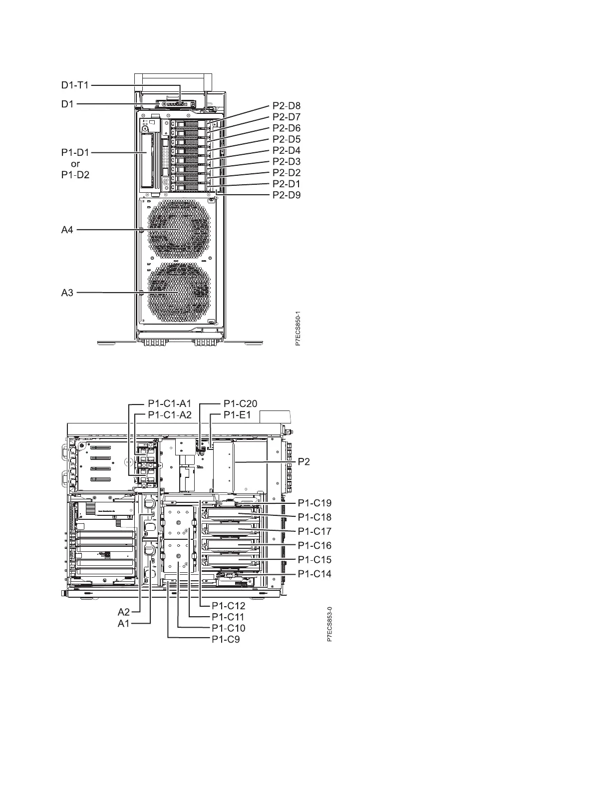
Figure 12. Stand-alone front view
Figure 13. Stand-alone side view
20 Finding parts, locations, and addresses

Table of Contents

Related product manuals