EasyManua.ls Logo

IC Audio Audio Matrix EV-5000 - Page 3

Default Icon
41 pages
Print Icon
To Next Page IconTo Next Page
To Next Page IconTo Next Page
To Previous Page IconTo Previous Page
To Previous Page IconTo Previous Page
Loading...
ic audio
EV-5000
DE
3
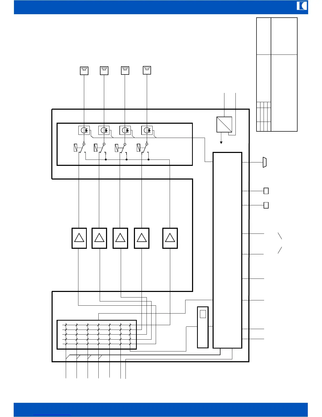
2. Block Diagram, System Overview
ic audio GmbH
D-68307 Mannheim
EV-5000 Block Diagram
2009
Draw
gfi
Mod.
26-10
Fire MIC1
80 CH MIC Bus
4 CH MIC Bus
BGM/Program IN
Inputs
MP3-Player
Digital Audio
Matrix
Power Amplifiers
Digital Control
Line Relays
Line Monitoring
EV-5000 Central Unit
CH1 OUT
CH2 OUT
CH3 OUT
CH4 OUT
SPARE AMP IN
OUT Spare Amp
OUT CH1
OUT CH2
OUT CH3
OUT CH4
2x Alarm Switch IN
Error
System
Emergency
Alarm
Relay contacts
Message
control IN
AUX IN
Request
230 V AC
~
=
24V DC Backup supply
Cascade RS 232
Fire MIC2
Matrix
Control
AMP IN
AMP IN
AMP IN
AMP IN
Chime
control IN
MIC control
AUX Request