EasyManua.ls Logo

IC Audio Audio Matrix EV-5000 - Page 4

Default Icon
41 pages
Print Icon
To Next Page IconTo Next Page
To Next Page IconTo Next Page
To Previous Page IconTo Previous Page
To Previous Page IconTo Previous Page
Loading...
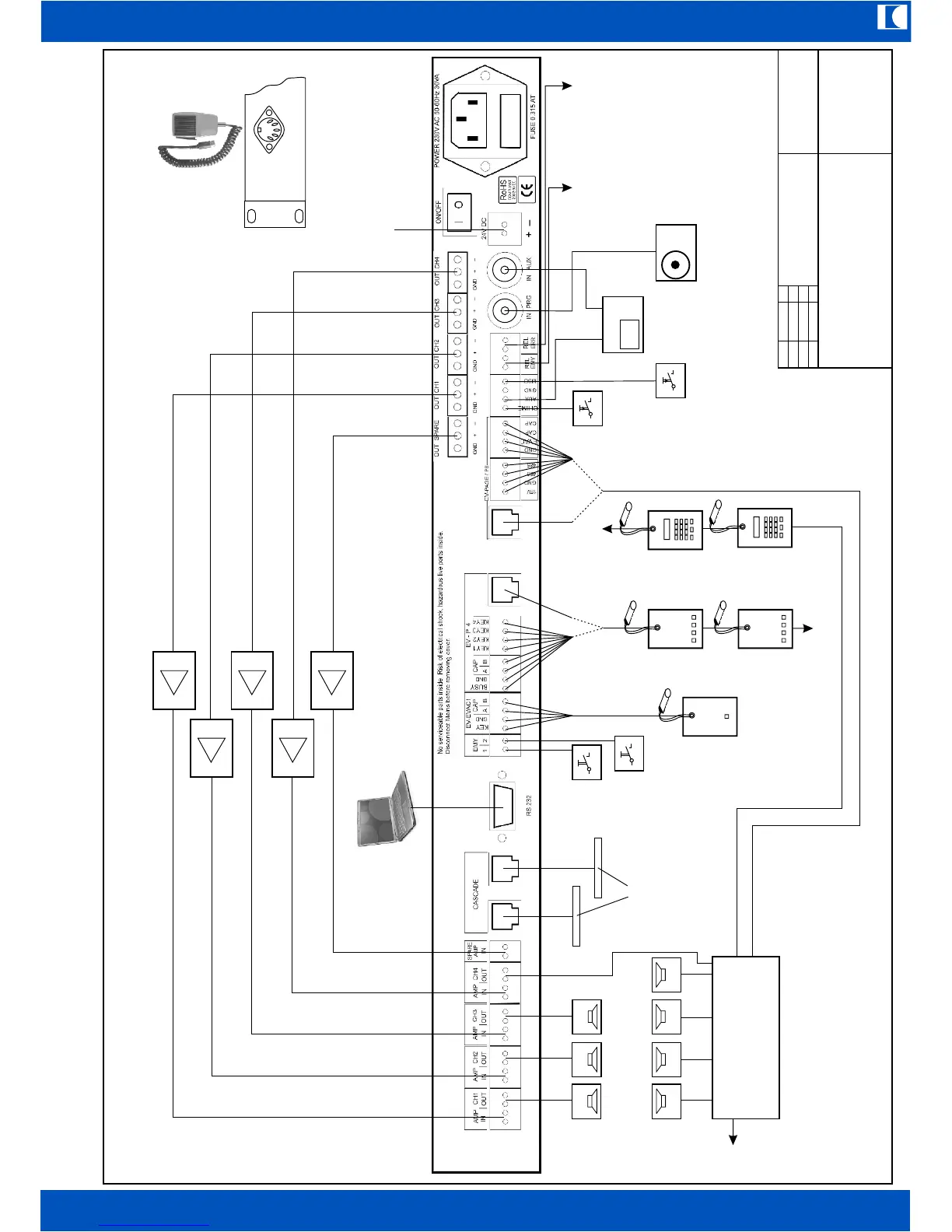
ic audio
EV-5000
DE
4
alternatively alternatively
24V DC IN
EV-REL
Further
EV-PAGE
Further EV-P4
Spotplayer
Re-
quest
Audio
CD/
MP3
Relay contact active on
Fire-MIC announcement
or stored Emergency
announcement running.
Can be used to energize
priority override relays
Relay contact
active on any
errors
Background-
Music
Start Chime
(momentary switch)
Start stored message
(momentary switch)
Start stored
Emergency
announcement 1
Start stored
Emergency
announcement 2
EV-EVAC1
EV-P4
EV-P4
EV-PAGE
EV-PAGE
Further EV-5000
Personal Computer
for simple configuration
overview
Power Amplifiers
24V DC Backup-
Power IN
Fire MIC 1
Fire MIC 2 IN
on front panel
FIRE MIC
EV-5000
80-Channel MIC-Bus
OUT
IN
ic audio GmbH
D-68307 Mannheim
Overview EV-5000 Syste m
2009
Draw
gfi
Mod.
26-10