EasyManua.ls Logo

ICB HM-12 - MAINTENANCE; GENERALITIES; FOOT SUPPORTS; POWER SUPPLY CABLE

ICB HM-12
8 pages
Print Icon
To Previous Page IconTo Previous Page
To Previous Page IconTo Previous Page
Loading...
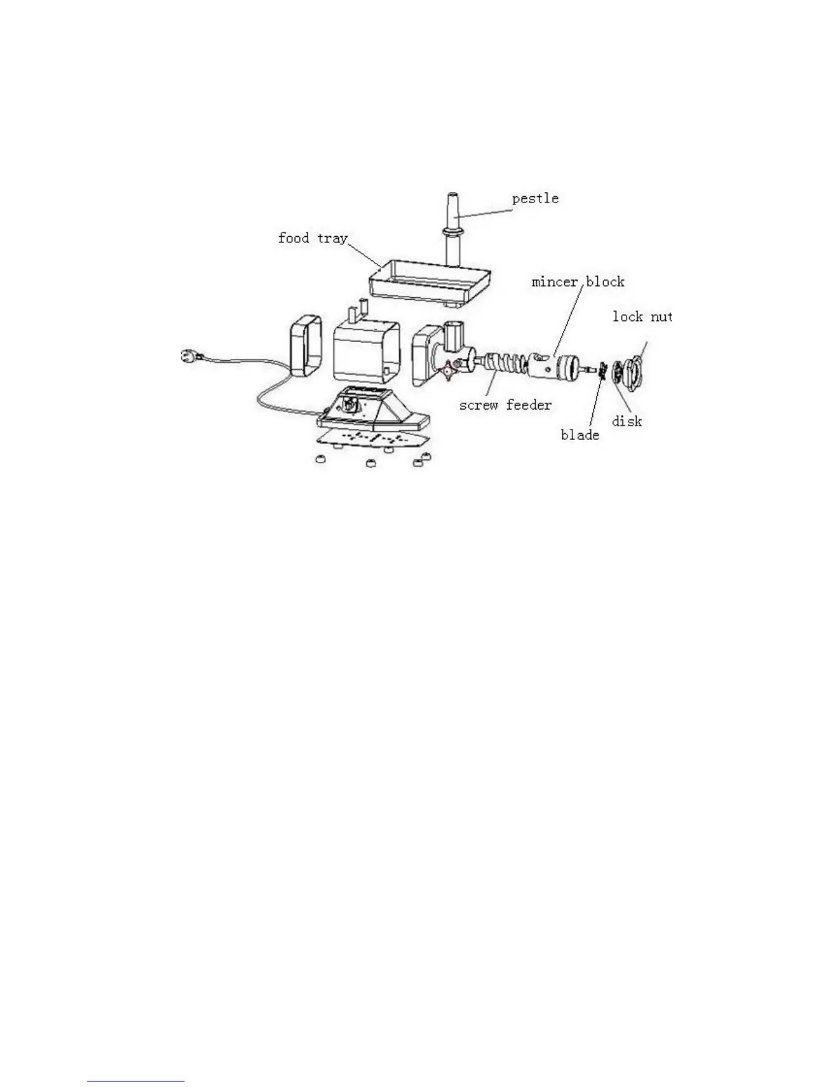
FIG 7-Diagram of HM-12/HM-22/HM-22A stripped for cleaning
7 MAINTENANCE
7.1 GENERALITIES
Before servicing the appliance you must disconnect the electricity supply plug isolating the appliance
from the main power source.
7.2 FOOT SUPPORTS
In time the foot supports can deteriorate causing instability. If this is the case replaces them.
7.3 POWER SUPPLY CABLE
Periodically check wear in the power cable and if necessary contact the agent for a replacement.
7.4 PUSH BUTTON LABEL
In time the label on the unit could become marked or even damaged. If this should happen contact the
agent for a replacement.
7.5 DISK AND BLADE
Both the blade and disk can deteriorate in time. If this should happen contact the agent for original
replacements.
8 SCRAPPING
8.1 OUT OF SERVICE
If the appliance for some reason is to be put out of service, make sure it can no longer be used:
disconnect and remove all electrical connections.
8.2 SCRAPPING
Once the appliance is out of service it can be scrapped. Contact a specialized company to scrap it
conforming to the materials used for manufacturing the various components (refer to chap 1 Para 3.2)