EasyManua.ls Logo

Icom IC-2SAT - Page 43

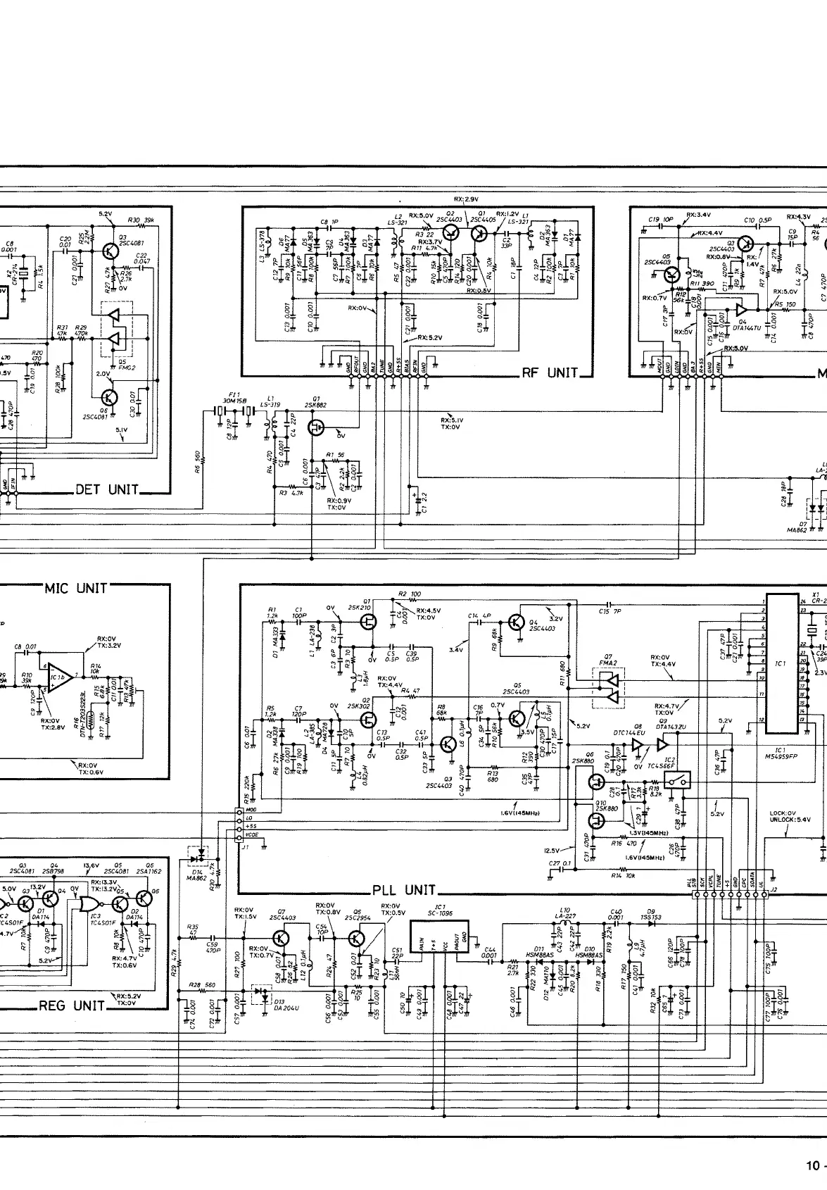
Icom IC-2SAT
46 pages
Print Icon
To Next Page IconTo Next Page
To Next Page IconTo Next Page
To Previous Page IconTo Previous Page
To Previous Page IconTo Previous Page
Loading...

Other manuals for Icom IC-2SAT

Related product manuals