EasyManua.ls Logo

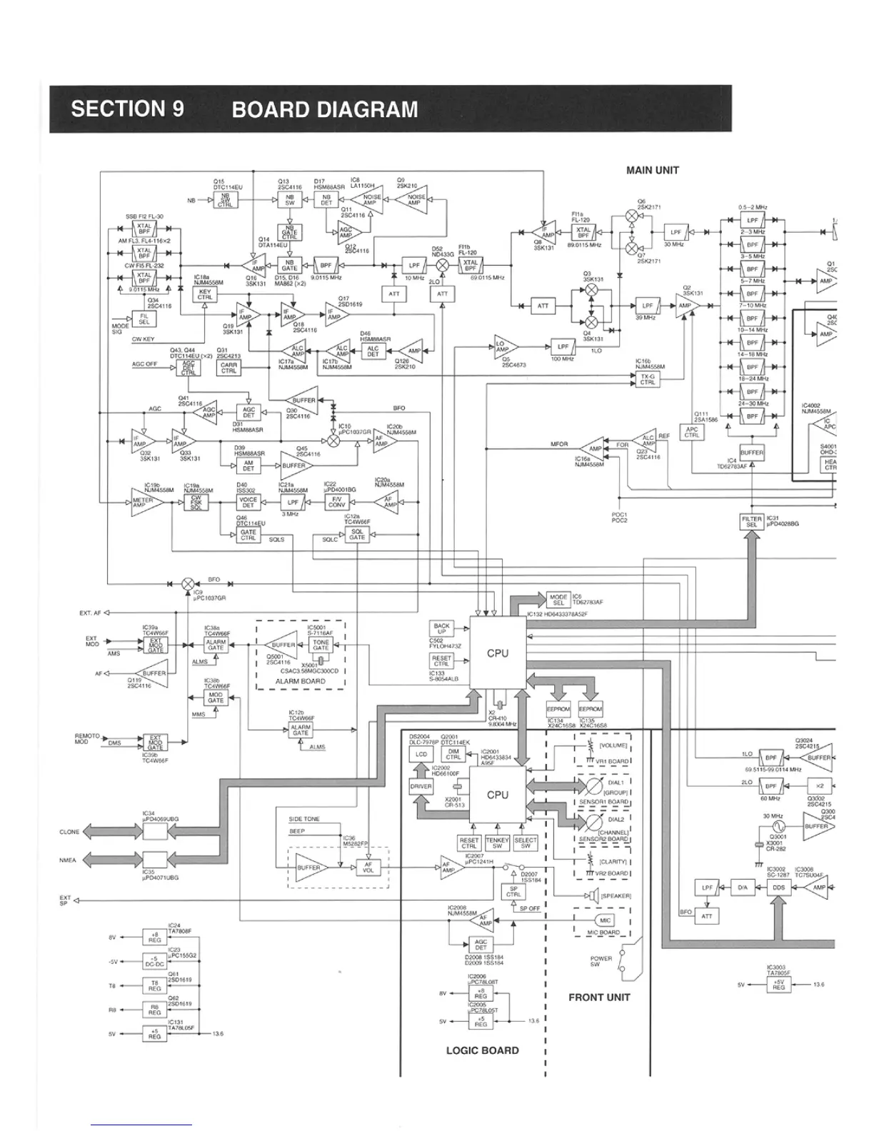
Icom IC-M700PRO - Section 9 Board Diagram; Main Unit Block Diagram

Icom IC-M700PRO
73 pages
Print Icon
To Next Page IconTo Next Page
To Next Page IconTo Next Page
To Previous Page IconTo Previous Page
To Previous Page IconTo Previous Page
Loading...

Table of Contents

Other manuals for Icom IC-M700PRO

Related product manuals