EasyManua.ls Logo

Iiyama ProLite E1900S - CONNECTING THE MONITOR TO YOUR COMPUTER; Connection Steps and Notes

Iiyama ProLite E1900S
26 pages
Print Icon
To Next Page IconTo Next Page
To Next Page IconTo Next Page
To Previous Page IconTo Previous Page
To Previous Page IconTo Previous Page
Loading...
ENGLISH
BEFORE YOU OPERATE THE MONITOR 7
CONNECTING YOUR MONITOR
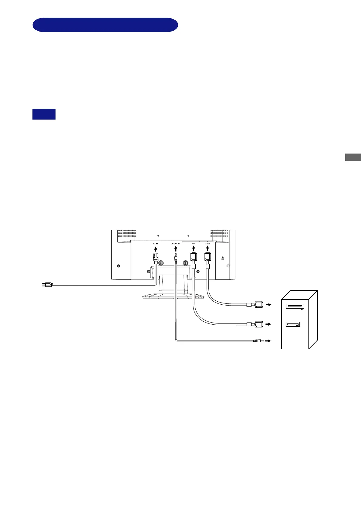
[Example of Connection]
A
Ensure that both the computer and the monitor are switched off.
B
Connect the computer to the monitor with the signal cable.(See page 22 for CONNECTOR PIN
ASSIGNMENT.)
C
Connect the monitor to the audio equipment with the Audio Cable for computer when using the
audio features.
D
Connect the Power Cable to the monitor first and then to the power supply.
NOTE The signal cables used for connecting the computer and monitor may vary with the type of
computer used. An incorrect connection may cause serious damage to both the monitor and
the computer. The cable supplied with the monitor is for a standard 15 pin D-Sub connector.
If a special cable is required please contact your local iiyama dealer or regional iiyama office.
For connection to Macintosh computers, contact your local iiyama dealer or regional
iiyama office for a suitable adaptor.
Make sure you tighten the finger screws at each end of the signal cable.
Power Cable
(Accessory)
Audio Cable (Accessory)
Computer
D-Sub Signal Cable
(Accessory)
DVI-D Signal Cable

Related product manuals