EasyManua.ls Logo

Ikon ISP29 - Page 23

Ikon ISP29
31 pages
Print Icon
To Next Page IconTo Next Page
To Next Page IconTo Next Page
To Previous Page IconTo Previous Page
To Previous Page IconTo Previous Page
Loading...
Service and Installation Manual
23
MODEL: ISP72 / ISP72M
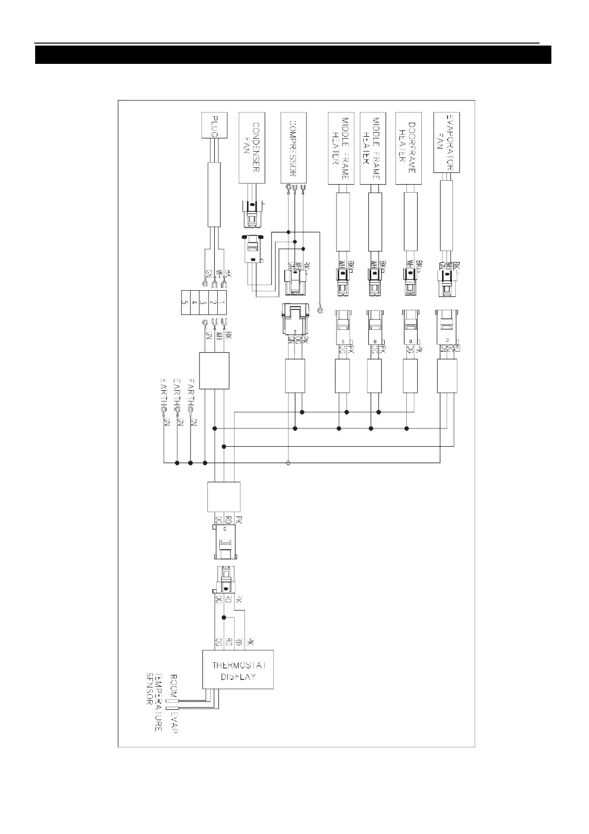
WIRING DIAGRAM