EasyManua.ls Logo

Ikon ISP29 - Page 30

Ikon ISP29
31 pages
Print Icon
To Next Page IconTo Next Page
To Next Page IconTo Next Page
To Previous Page IconTo Previous Page
To Previous Page IconTo Previous Page
Loading...
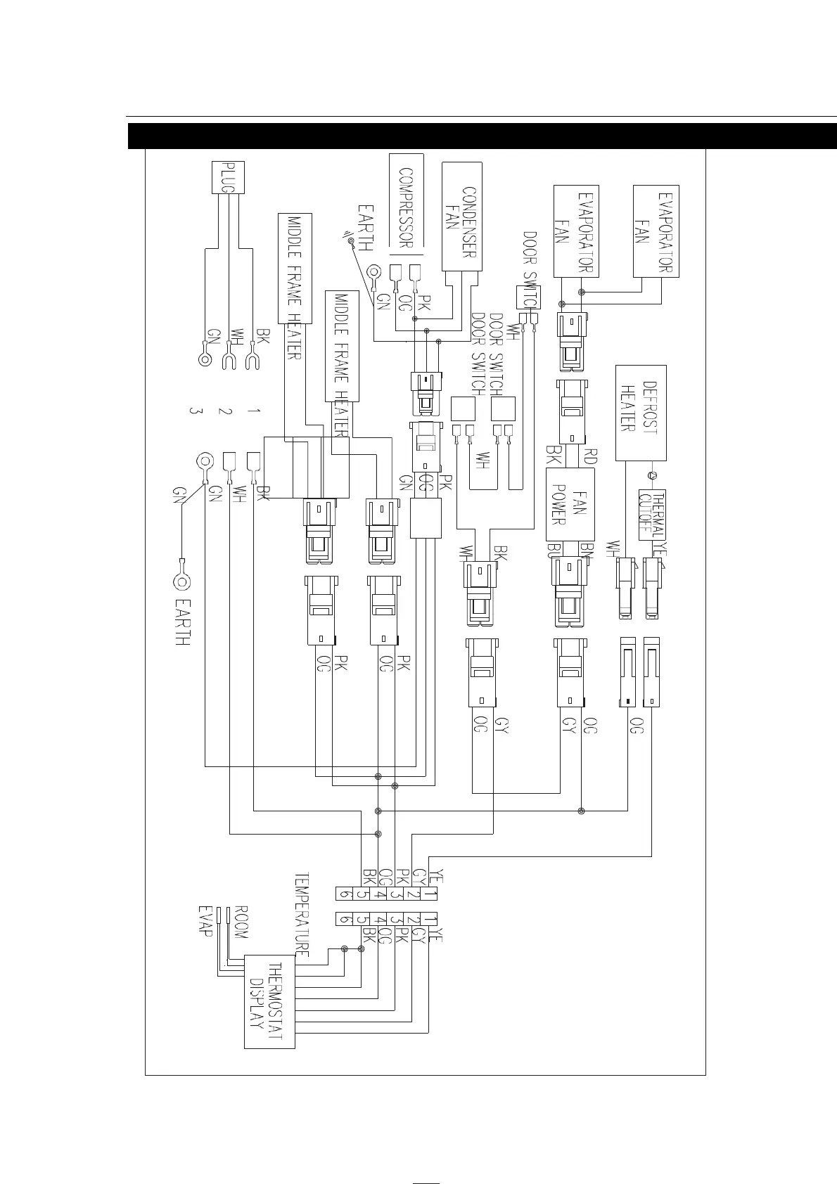
WIRING DIAGRAM
MODEL: IUC72F