EasyManua.ls Logo

iLO IWT3206 - Technical Specifications; General Specifications; Electrical and Other Specifications

iLO IWT3206
60 pages
Print Icon
To Next Page IconTo Next Page
To Next Page IconTo Next Page
To Previous Page IconTo Previous Page
To Previous Page IconTo Previous Page
Loading...
8-6
L4903SCM4
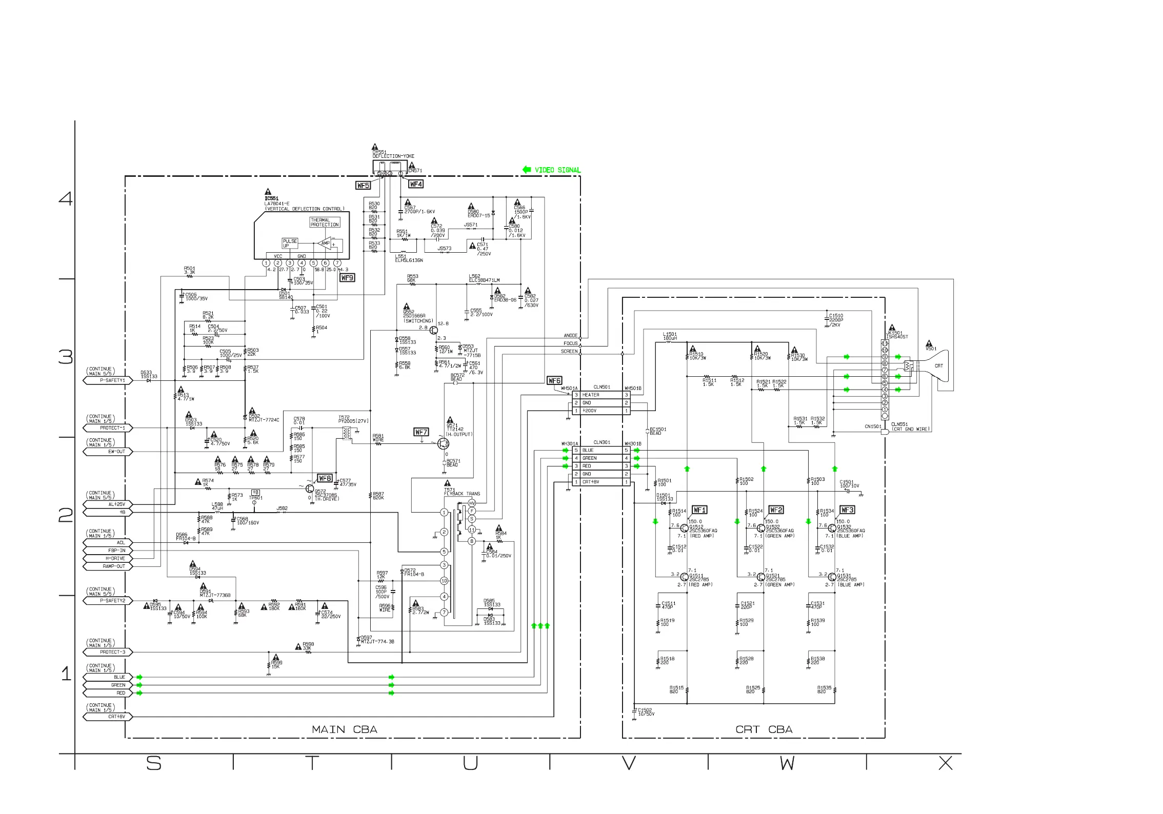
Main 4/5 & CRT Schematic Diagram

Other manuals for iLO IWT3206

Related product manuals