EasyManua.ls Logo

Indesit AWD129NA - Page 11

Indesit AWD129NA
19 pages
Print Icon
To Next Page IconTo Next Page
To Next Page IconTo Next Page
To Previous Page IconTo Previous Page
To Previous Page IconTo Previous Page
Loading...
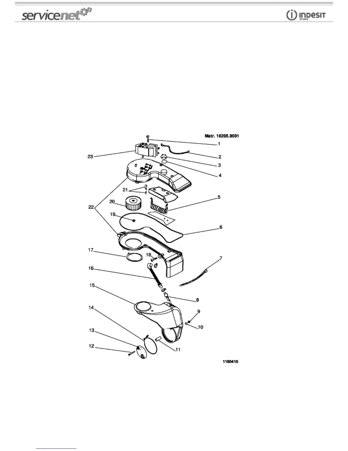
mod.AWD129NA page 11
1180410 Exploded views

Related product manuals