EasyManua.ls Logo

Indesit CAA55UK - Theoretical Wiring Diagram

Indesit CAA55UK
13 pages
Print Icon
To Previous Page IconTo Previous Page
To Previous Page IconTo Previous Page
Loading...
13 of 13
Service Manual UK
Indesit
Company
English
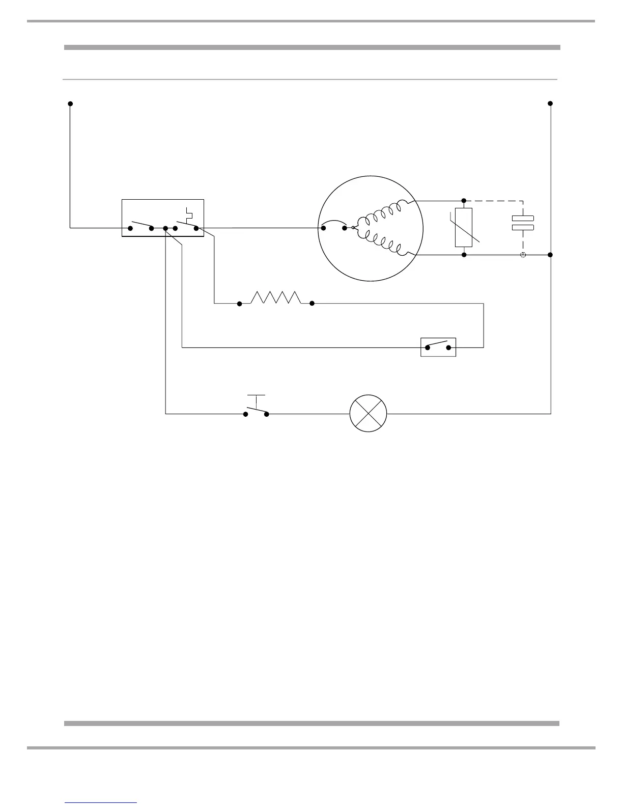
THEORETICAL WIRING DIAGRAM
R
S
COMPRESSOR
RFA52
5407275wd.pdf
(if fitted)
CAPACITOR
LIGHT
LIGHT SWITCH
HEATER
FAST
FREEZE
SWITCH
4
3
6
PTC
THERMOSTAT
BROWN
BROWN
BLACK
BROWN
BLACK
BROWN
BLUE
BLUE
BROWN
O/L
N
L

Related product manuals