EasyManua.ls Logo

Indesit IS70C - Safety and Environmental Advice; General Safety Precautions; Safe Drying Material Guidelines

Indesit IS70C
20 pages
Print Icon
To Next Page IconTo Next Page
To Next Page IconTo Next Page
To Previous Page IconTo Previous Page
To Previous Page IconTo Previous Page
Loading...
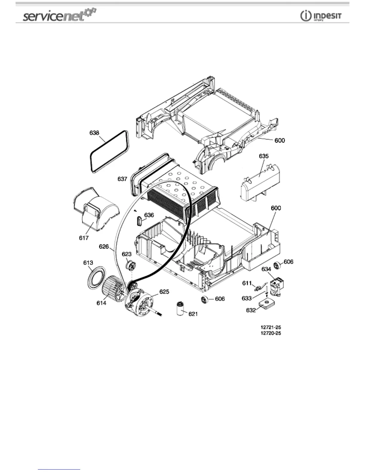
mod.IS70C page 9
12721-25 rysunki

Other manuals for Indesit IS70C

Related product manuals