EasyManua.ls Logo

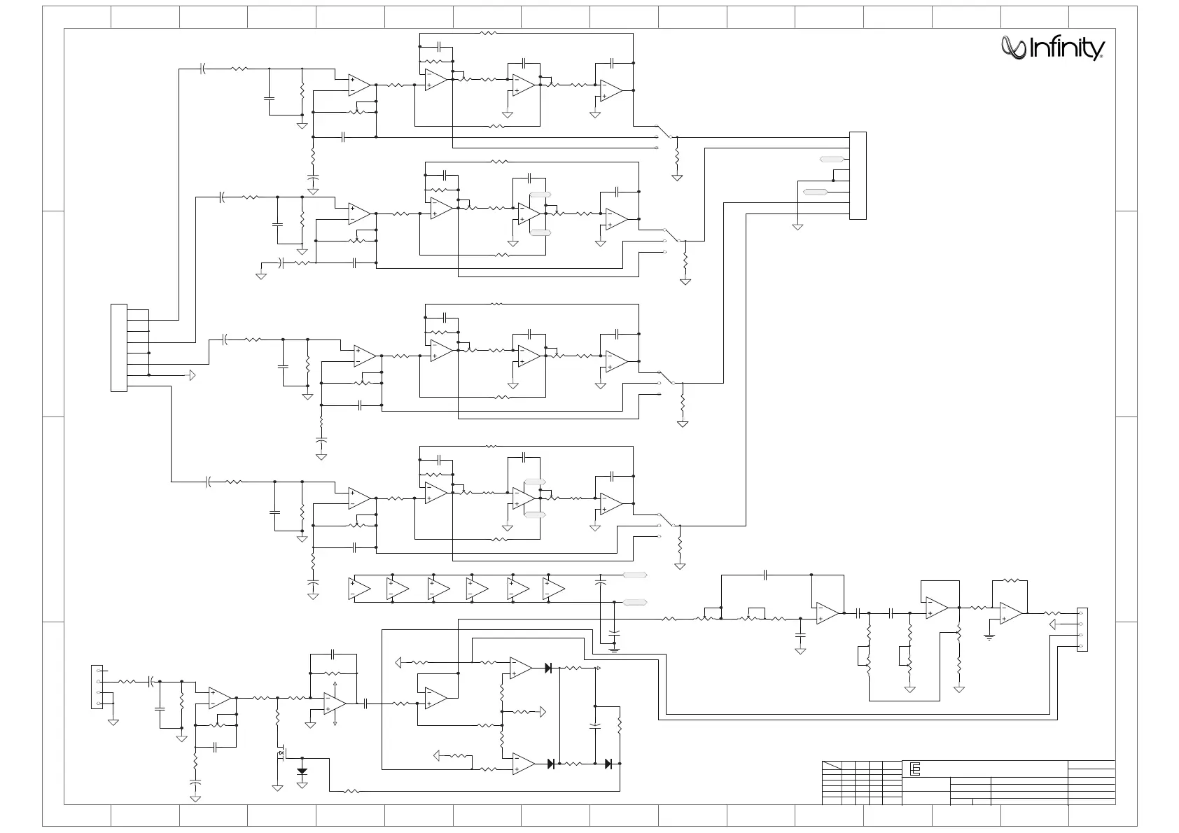
Infinity KAPPA FIVE - Crossover and Filter Schematics

Infinity KAPPA FIVE
45 pages
Print Icon
To Next Page IconTo Next Page
To Next Page IconTo Next Page
To Previous Page IconTo Previous Page
To Previous Page IconTo Previous Page
Loading...
1
1
2
2
3
3
4
4
5
5
6
6
7
7
8
8
9
9
10
10
11
11
12
12
13
13
14
14
15
15
16
16
D D
C C
B B
A A
10U/25V
C101A
47P
C102A
680
R101A
9.09K
R102A
47P
C103A
9.09K
R100A
9.09K
R103A
7.50K
R108A
473MET
C104A
7.50K
R109A
104MET
C105A
9.09K
R10 4A
3
2
1
JRC4560
U100BA
3
2
1
JRC4560
U100AA
7 9
8
C50K
VR101AC
10 12
11
C50K
VR101AD
23
1
4
SW100AA
4.7K
R10 6A
1 3
2
B20K
VR100AA
HPF
FLAT
LPF
9.09K
R102B
47P
C103B
9.09K
R100B
9.09K
R103B
7.50K
R10 8B
473MET
C10 4B
7.50K
R109B
104MET
C105B
9.09K
R104B
5
6
7
JRC4560
U100BB
1 3
2
C50K
VR101AA
4 6
5
C50K
VR101AB
67
5
8
SW100AB
HPF
FLAT
LPF
9.09K
R102C
47P
C103C
9.09K
R100C
9.09K
R103C
7.50K
R108C
473MET
C10 4C
7.50K
R109C
104MET
C105C
9.09K
R104C
3
2
1
JRC4560
U100DA
1 3
2
C50K
VR101CA
4 6
5
C50K
VR101CB
23
1
4
SW100CA
HPF
FLAT
LPF
9.09K
R102D
47P
C103D
9.09K
R100D
9.09K
R103D
7.50K
R108D
473MET
C104D
7.50K
R109D
104MET
C105D
9.09K
R104D
5
6
7
JRC4560
U100DB
7 9
8
C50K
VR101CC
10 12
11
C50K
VR101CD
67
5
8
SW100CB
HPF
FLAT
LPF
824MET
C108E
274MET
C109E
220
R11 2E
18K
R113E
683MET
C110E
10k
R115E
46
5
C50K
VR100EB
13
2
C50K
VR100EA
184MET
C107E
1.8K
R114E
4.70K
R109E
4.70K
R10 8E
13
2
B2K
VR103EA
46
5
B200K
VR103EB
5
6
7
JRC4560
U100EB
5
6
7
JRC4560
U101EB
10 .8 Hz
3
2
1
JRC4560
U100EA
13
2
B500
VR101EA
10U/25V
C101B
47P
C102B
680
R101B
5
6
7
JRC4560
U100AB
4.7K
R106B
4 6
5
B20K
VR100AB
10U/25V
C10 1C
47P
C102C
680
R101C
3
2
1
JRC4560
U100CA
4.7k
R106C
1 3
2
B20K
VR100CA
10U/25V
C101D
47P
C102D
680
R101D
5
6
7
JRC4560
U100CB
4.7k
R106D
4 6
5
B20K
VR100CB
100P
C102E
6800R
R101E
3
2
1
JRC4560
U101EA
4.7K
R106E
13
2
B20K
VR102EA
3
2
1
114
TL074
U101AA
5
6
7
TL074
U101AB
10
9
8
TL074
U101AC
13
12
14
TL074
U101AD
3
2
1
114
TL074
U101CA
5
6
7
TL074
U101CB
10
9
8
074
U101CC
13
12
14
TL074
U101CD
+15V
-15V
+15V
-15V
10U/16V
C101E
1
2
3
4
5
6
7
8
8P
J1B
CHAIN
CHBIN
CHCIN
CHDI N
SUBIN
SUBO
CHDO
CHCO
CHBO
CHAO
1
2
3
4
4P
J4B
1
2
3
4
5
6
7
8
J2B
+15V
-15V
84
JRC4560
U100BC
84
JRC4560
U100CC
84
JRC4560
U100AC
84
JRC4560
U100DC
84
JRC4560
U101EC
84
JRC4560
U100EC
+15V
-15V
+15V
-15V
LPF
HPF
47U/25V
C201E
47U/25V
C20 1D
47U/25V
C201D
47U/25V
C201B
47U/25V
C20 1A
470P
C202E
220P
C202D
220P
C202C
220P
C202B
220P
C202A
1K
R100E
10K
R202E
47K
R205
22P
C202E
3
2
1
114
TL074
U201EA
5
6
7
TL074
U201EB
10
9
8
TL074
U201EC
13
12
14
TL074
U201ED
-15V
+15V
MPF102
Q201E
0R
R201E
1K
R203E
1N4148
D201E
10U/50V
C210E
4.7K
R20 4E
2.0K
R214E
330R
R215E
27K
R210E
2.0K
R212E
43K
R21 1E
2.0K
R209E
2.0K
R208E
330R
R206E
1N4148
D204E
1N4148
D205E
43K
R216E
5.1K
R217E
10U/50V
C205E
1M
R220E
-15V
1N4148
D206E
1K
R102E
DWG NO:
PART NO:
PART NAME:
PRODUCT MODE:
SCALE: 2/8
UNIT: MM
SIZE: A2
REV: 4.3
DRAW BY:
CHECKED BY:
APPROVED BY:
DATA:
DATA:
DATA:
Kappa Five
DATA
2008,03,25
HuiLian Li
PRE
V6 .1 限幅电路的+,-15V改由B+,B-控制11/06
10u/50V
C21
10u/50V
C22
TO 1/8 J3A
TO 1/8 J1A
TO 3/8 J2A
TO 4/8 J4A
part
VR10 3E
V4.02
REV
A200K
V4.04
B2K/B200 K
071214
10k
R116E
8. 2K
R105A
8. 2K
R105B
8. 2K
R105C
8. 2K
R105D
36k
R103E
+2.2V
-2.2V
+2.2V
-2 .2V
1
2
3
4
4P
J3 B
R103E 47K to 36k
R101E 470R to 680R
R210E 12K TO 27K
R211E 33K TO 43K
R215E/206E 220R TO 330R
R113E 47K to 18k Hi
50Hz to 80Hz
09-02-20
100K
R107A
100K
R107B
100K
R107C
100K
R107D
/
V4 .3
NOTE N/C MEANS COMPONENT NOT USED IN THIS PRODUCT
KAPPA FIVE

Related product manuals