EasyManua.ls Logo

Infinity KAPPA FIVE - Page 42

Infinity KAPPA FIVE
45 pages
Print Icon
To Next Page IconTo Next Page
To Next Page IconTo Next Page
To Previous Page IconTo Previous Page
To Previous Page IconTo Previous Page
Loading...
1
1
2
2
3
3
4
4
5
5
6
6
D D
C C
B B
A A
4.7K
R60
MMBT5401
Q13
4.7R
R21
104/100V
C22S
MURS120
D7L
10R
R23
680
R32
10K
R40
4.7R
R42
10K
R41
4.7R
R43
4.7N
C37
330
R46
12K
R47
4.7N
C36
2.2U/50V
C33
2.2U/50V
C32
2 4
53
74AHC1G04
U3A
4.7K
R22
4.7K
R38
104/100V
C20
100
R39
-VCC
-VCC
-VCC
-VCC
-vcc
-VCC
1
2
3
4
5
6
8
710
11
12
9
13
14
15
16
IR2010S
U1E
100U/25V
C30
0.47U/50V
C27L
5.1V
Z1
4.7U/25V
C34
10U/16V
C48
2.2K
R28
IN4148
D12
100P
C52
10U/16V
C49
6 2
84
TC7WH04F
U8A
LI
HI
1 7
TC7WH04F
U8B
-VCC
2.2K
R27
IN4148
D13
100P
C26L
VDD
SD
3 5
TC7WH04F
U8C
100K
R24
IN4148
D11
2.2U/50V
C44
104/100V
C43
1
3
2
4
5
6
7
J3BA
8
10
9
11
12
13
14
J3BB
-SEN
+5VCC
+5VCC
824
C31
+5VA
-5VA
HOB
LOB
1N4148
D8
DWG NO:
PART NO:
PART NAME:
PRODUCT MODE:
SCALE: 5/8
UNIT: MM
SIZE: A2
REV: 4.3
DRAW BY:
CHECKED BY:
APPROVED BY:
DATA:
DATA:
DATA:
Kappa Five
ECN NO
DESCRIPTON
DATAAPPROVED
2008,03,25
HuiLian Li
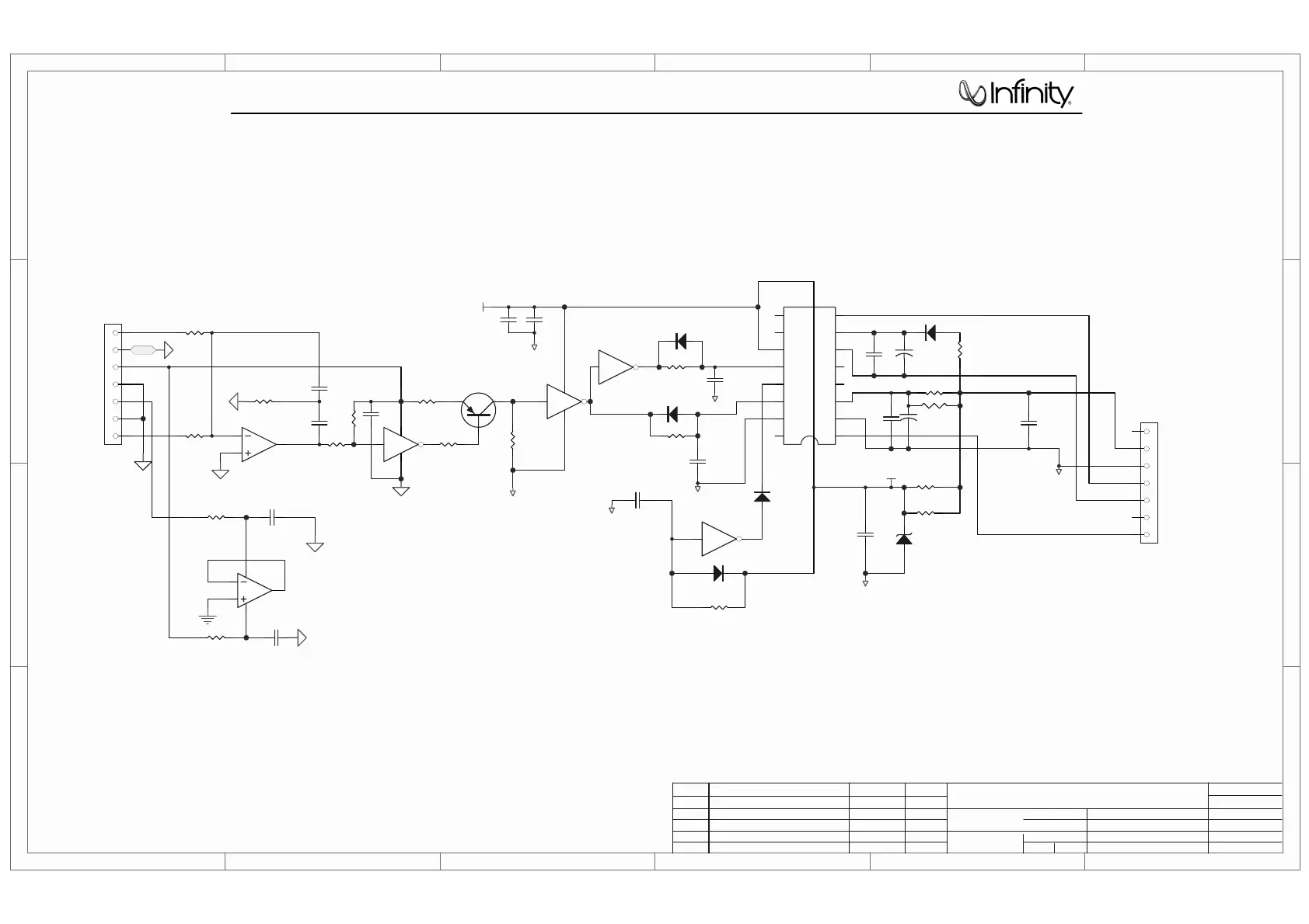
SUB ir2010
3
2
1
JRC4560
U2A
5
6
7
8 4
JRC4560
U2B
LM833改用JRC4560改善直流输
680
R32A
10R
R23A
HOB
LOB
PROT
+12VCCB
TO 4/8 J3A
TO 4/8 J3A
09-02-20
-vcc
NOTE N/C MEANS COMPONENT NOT USED IN THIS PRODUCT
KAPPA FIVE

Related product manuals