EasyManua.ls Logo

Infinity KAPPA FIVE - Page 44

Infinity KAPPA FIVE
45 pages
Print Icon
To Next Page IconTo Next Page
To Next Page IconTo Next Page
To Previous Page IconTo Previous Page
To Previous Page IconTo Previous Page
Loading...
1
1
2
2
3
3
4
4
D D
C C
B B
A A
22K
R37
4.42K
R35
10K
R22L
10K
R23L
102M
C26
1
2
3
4
5
6
7
8 9
10
11
12
13
14
15
16
TL494
TL494
U1
2.2K
R29
47K
R30
3K
R24L
104
C16
104
C12
100K
R36
22U/16V
C24
18K
R14
4.7K
R21L
100K
R13
10U/16V
C6
5.6K
R26
824
C20L
10K
R33
15K
R19
2SA1015
Q1
15K
R25
10K
R10
104
C17
2SC1815
Q3
2N5401
Q2
+
_
+
_
104
C19
104
C21L
104
C22L
104
C5
47U/16V
C23
104
C7
1
2
3
4
5
6
7
8
9
10
11
CON12P-1
J5B
IN4148
D1
3.9V
ZD1
2N5401
Q5
2N5401
Q6
2N5401
Q7
2N5401
Q8
1K
R40L
1K
R41L
22U/16V
C25
100U/25V
C27
DWG NO:
PART NO:
PART NAME:
PRODUCT MODE:
SCALE: 7/8
UNIT: MM
SIZE: A2
REV: 4.3
DRAW BY:
CHECKED BY:
APPROVED BY:
DATA:
DATA:
DATA:
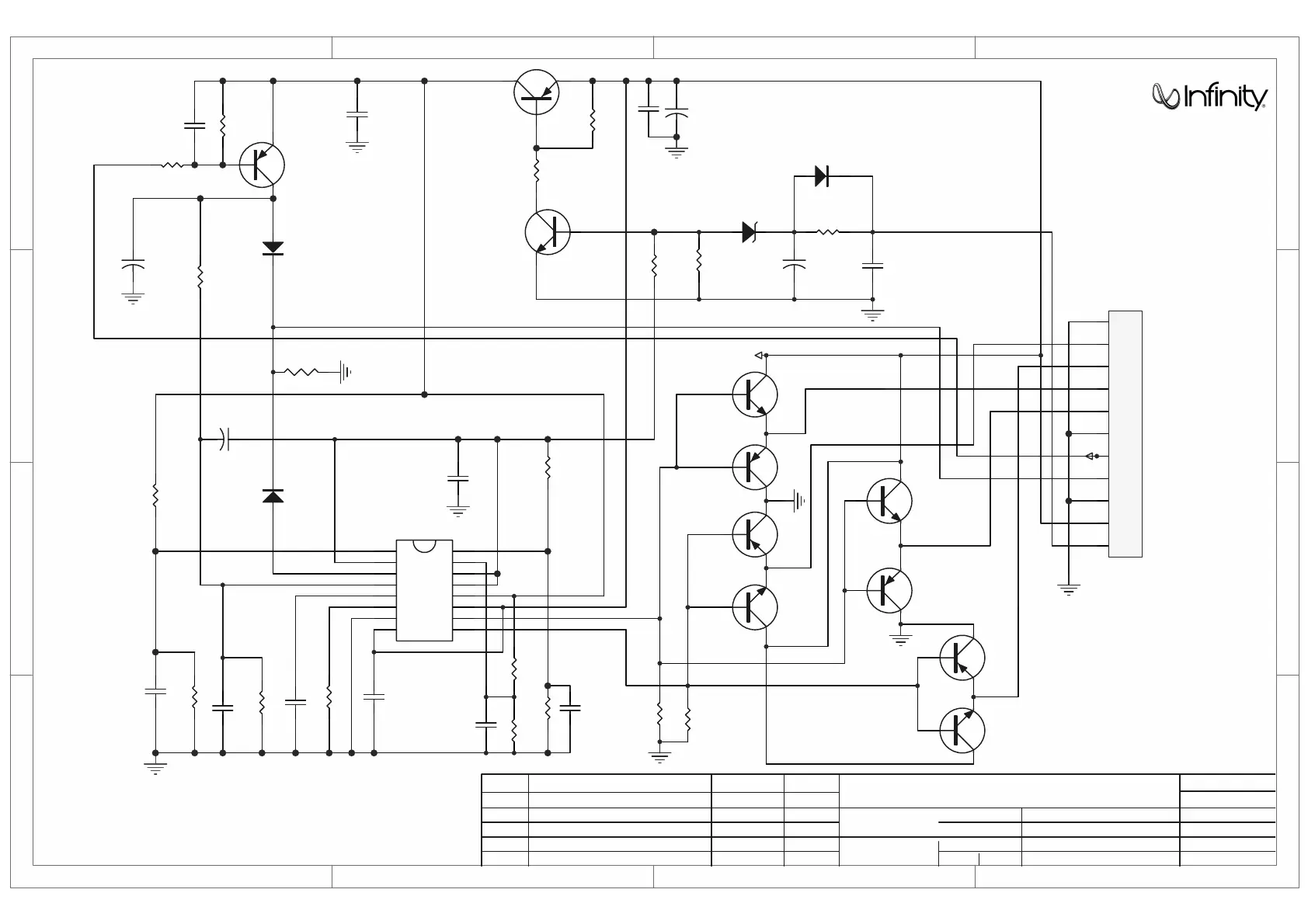
Kappa Five
ECN NO
DESCRIPTON
DATAAPPROVED
2008,03,25
HuiLian Li
power supply
1N4148
D6
50kHz
prot
prot
sub prot-LED
vin1
rem
TO 8/8 J2A
1N4148
D7
2N5551
Q9
2N5551
Q10
VIN1
2N5551
Q11
2N5551
Q12
10K
RR
09-02-20
A
B
C
D
PGND
PGND
PGND
NOTE N/C MEANS COMPONENT NOT USED IN THIS PRODUCT
KAPPA FIVE

Related product manuals