EasyManua.ls Logo

Ingenico iUC160B - Product Installation Procedures; Product Mounted on Kiosk Panel

Ingenico iUC160B
53 pages
Print Icon
To Next Page IconTo Next Page
To Next Page IconTo Next Page
To Previous Page IconTo Previous Page
To Previous Page IconTo Previous Page
Loading...
Integration guide iUC150B & iUC160B
900021059 R11 000 04/0416
Copyright© 2015 Ingenico
All rights reserved
32
6_Procedures for product installation
Device doesn’t require volume inside the kiosk.
The label with PCI Hardware Version Number must be visible once the device is installed.
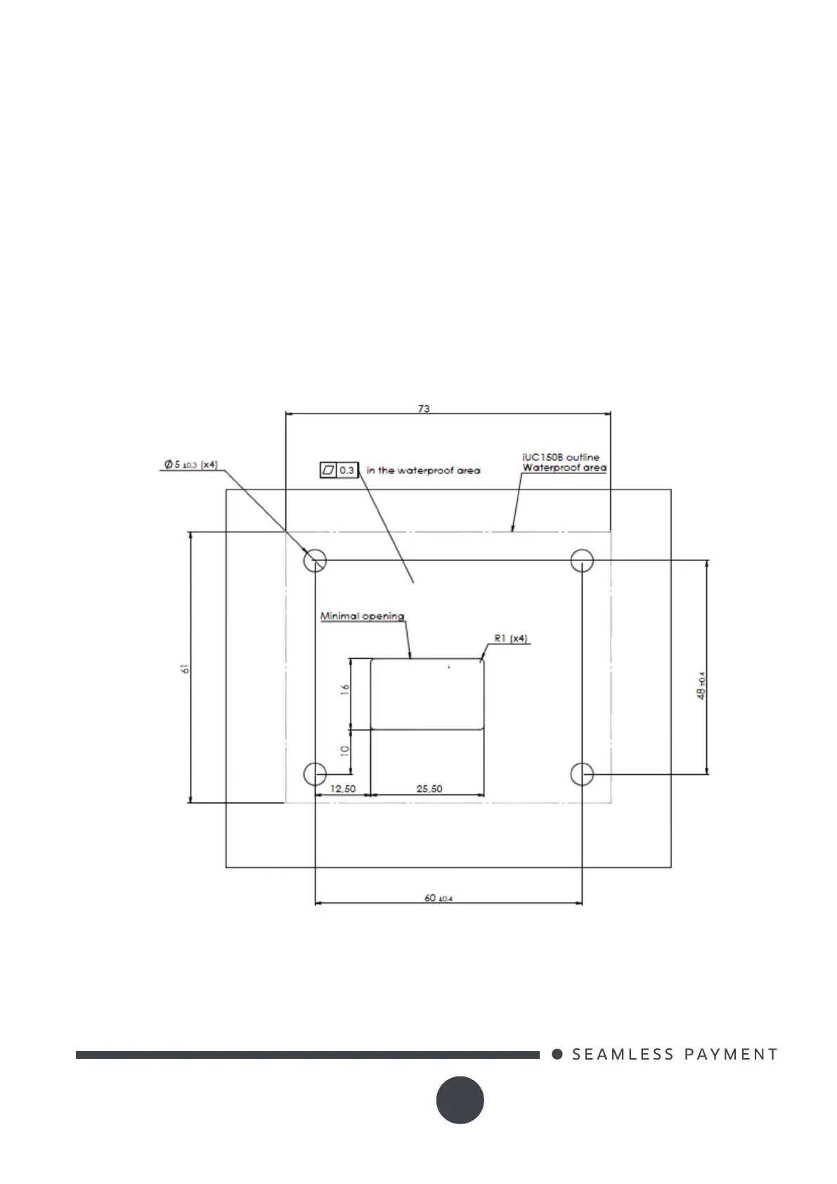
6_1 Product mounted on kiosk panel
Products can be mounted directly on kiosk panel. It requires a cut out in the kiosk to the dimensions
detailed in the diagram below (all dimensions are in millimeters).
6_1_1
Installing the iUC150B product
iUC 150B Installation : footprint and cutout (front side)
Surface must be at and without burrs
No sharp edge

Related product manuals