EasyManua.ls Logo

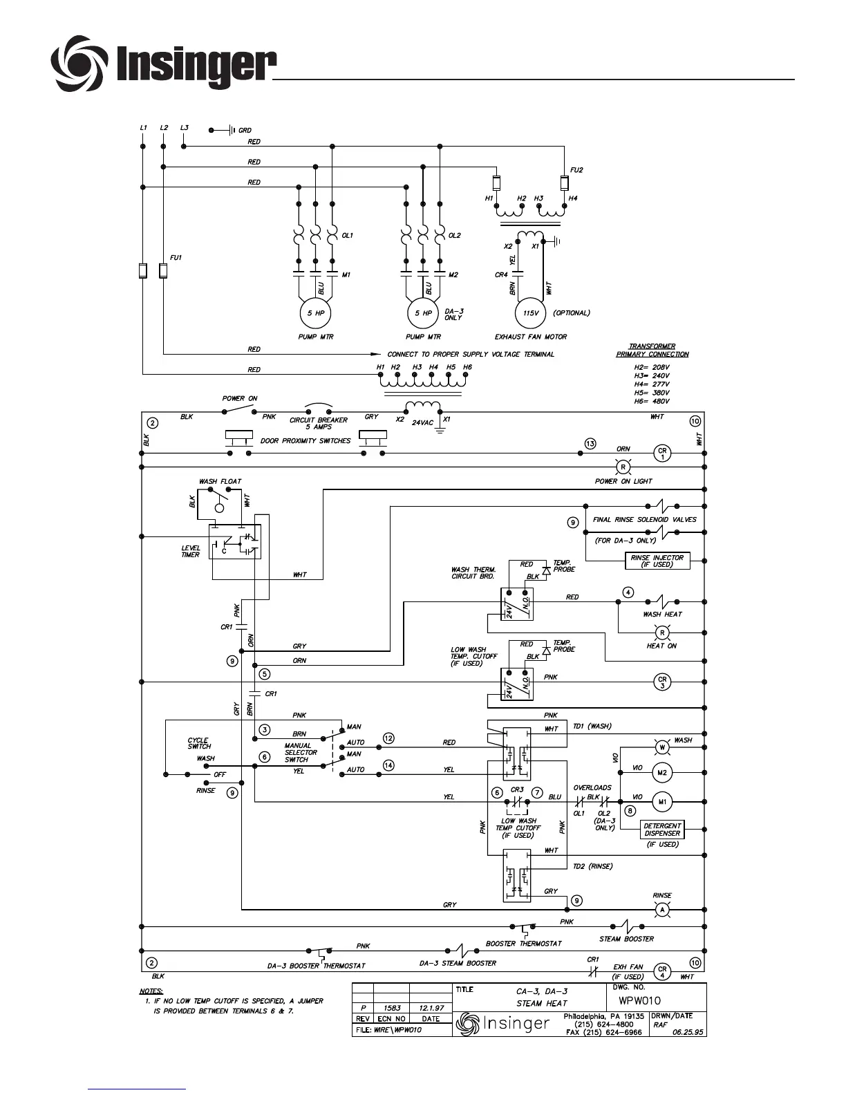
Insinger CA-3 - Part 7 Electrical Schematics and Parts; Steam Heat Electrical Schematic

Insinger CA-3
52 pages
Print Icon
To Next Page IconTo Next Page
To Next Page IconTo Next Page
To Previous Page IconTo Previous Page
To Previous Page IconTo Previous Page
Loading...
46
®
PART 7 ELECTRICAL SCHEMATICS AND PARTS
CA-3 & DA-3 Technical Manual 2018 www.insingermachine.com 800-344-4802
WPW010 : Steam Heat

Other manuals for Insinger CA-3