EasyManua.ls Logo

Integra RDV-1.1 - Page 19

Integra RDV-1.1
139 pages
Print Icon
To Next Page IconTo Next Page
To Next Page IconTo Next Page
To Previous Page IconTo Previous Page
To Previous Page IconTo Previous Page
Loading...
To NAVD-8258 (1/3)To NAVD-8258 (1/3)
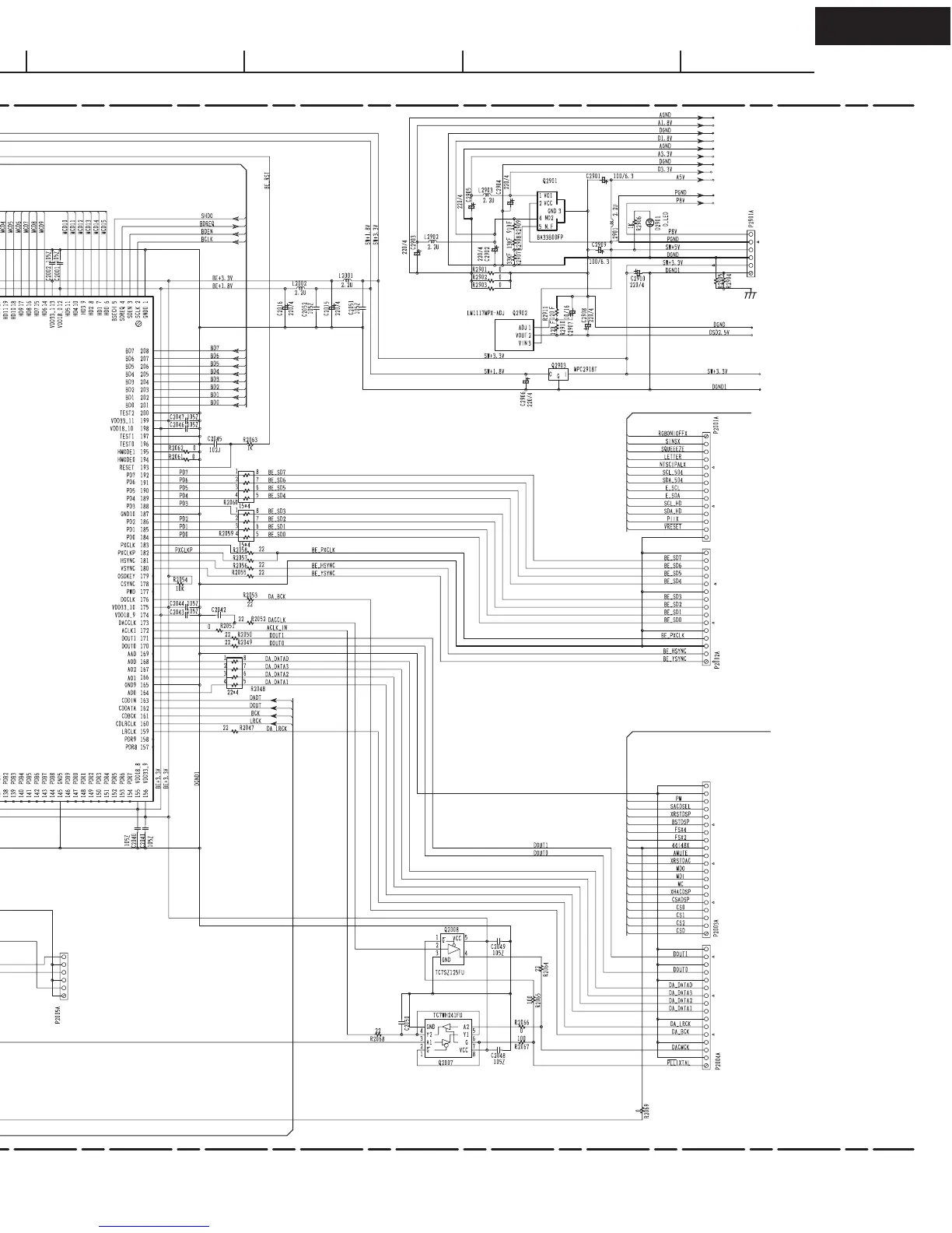
DVD Back end Decoder
To NADG-8259
Main CPU section
RDV-1.1
SCHEMATIC DIAGRAM-3
U01 : DVD MAIN BOARD-3 NADG-8257 (3/4) B/E section
A
1
2
3
4
5
BCDEFGH

Related product manuals