EasyManua.ls Logo

Integra RDV-1.1 - Page 46

Integra RDV-1.1
139 pages
Print Icon
To Next Page IconTo Next Page
To Next Page IconTo Next Page
To Previous Page IconTo Previous Page
To Previous Page IconTo Previous Page
Loading...
RDV-1.1
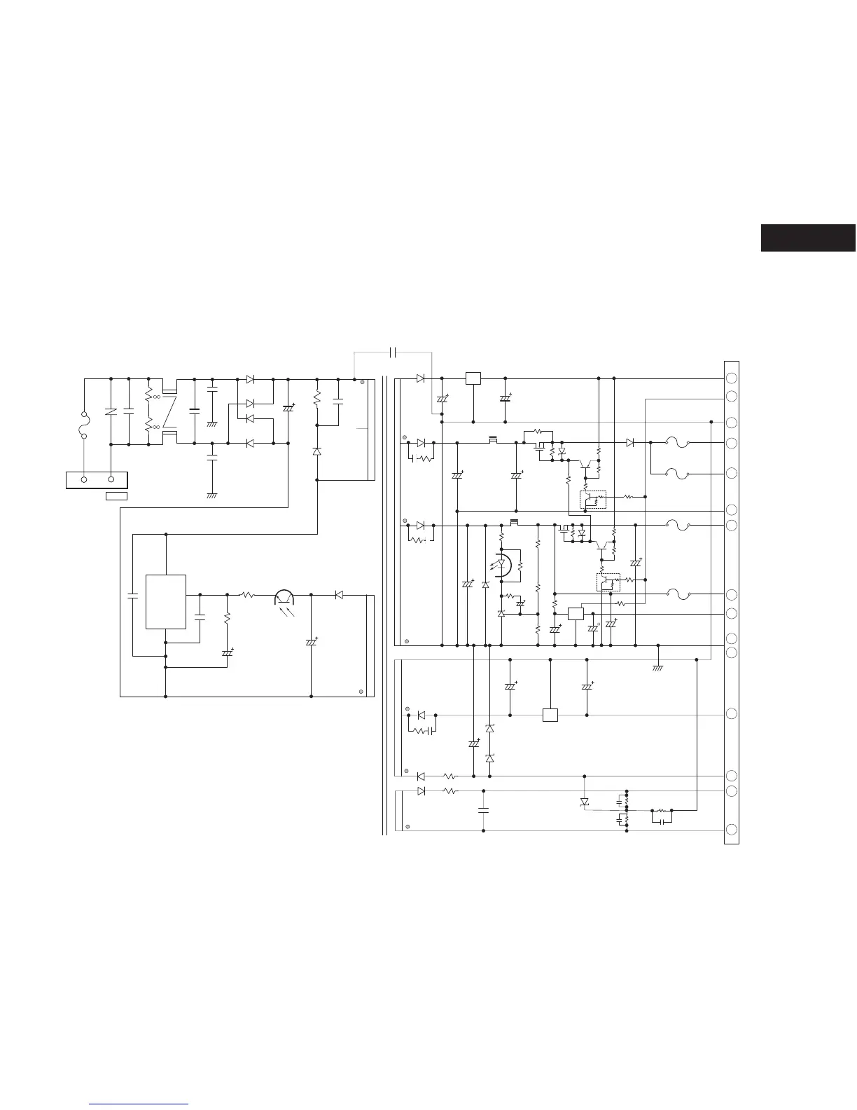
SCHEMATIC DIAGRAM
U70: POWER SUPPLY UNIT (NGPS-0036-100-120V Only <DD1N>)
IC1
1
11
7
8
10
9
4
2
6
3
5
12
13
14
15
CN2
IC5
IC2
IC4
D7
C28
T1
18
1
3
2
C9
D8
17
C30 R32
C12
L3
15.16
D9
R27 C11
L2
R14
PHC1
1
2
R15
C14
D14
R16
IC3
C15
R19
R17
R18
R20
C16
C17
1
4
3
3
C23
R13
C18
R22
Q5
Q3
R12
R21
C19
R23
CP4
R26
C26
R24
R25
C24
C25
D18
D16
C21
R29
R30
C27
D12
12
11
10
D11
D10
R28 C29
13
2
14
3
D6
PHC1
34
R4
C6
R5
C22
C8
C7
3
1
2
6
7
8
C5
R3
C4
D5
D1
C2
C31
D2
D3
D4
C3
L1
C1
R1
R2
VS1
F1
LN
CN1
AC-H
AC-G
C10
SJW1
D13
5.6 3
4
Q3
R6
C13
R31
Q1
R7
R8
R9
Q2
D17
Q4
R11
CP3
CP2
R10
D19
CP1
D15
EV+12V
P-con
GND
SW+8V
SW+8V
GND
SW+5V
EV+5V
SW+3.3V
GND
EV-12V
EV+30V
FLAC
FLAC
2
1
3
C20
AC INPUT
MIP2E4DMY
C11: Open <UDC1N>,
102K <Other>
*
C30: Open <UDC1N>,
102K <Other>
*
R27: Open <UDC1N>,
8.2 ohm <Other>
*
R32: Open <UDC1N>,
8.2 ohm <Other>
*
(NGPS-0037-100-240V Except <DD1N>)

Related product manuals