EasyManua.ls Logo

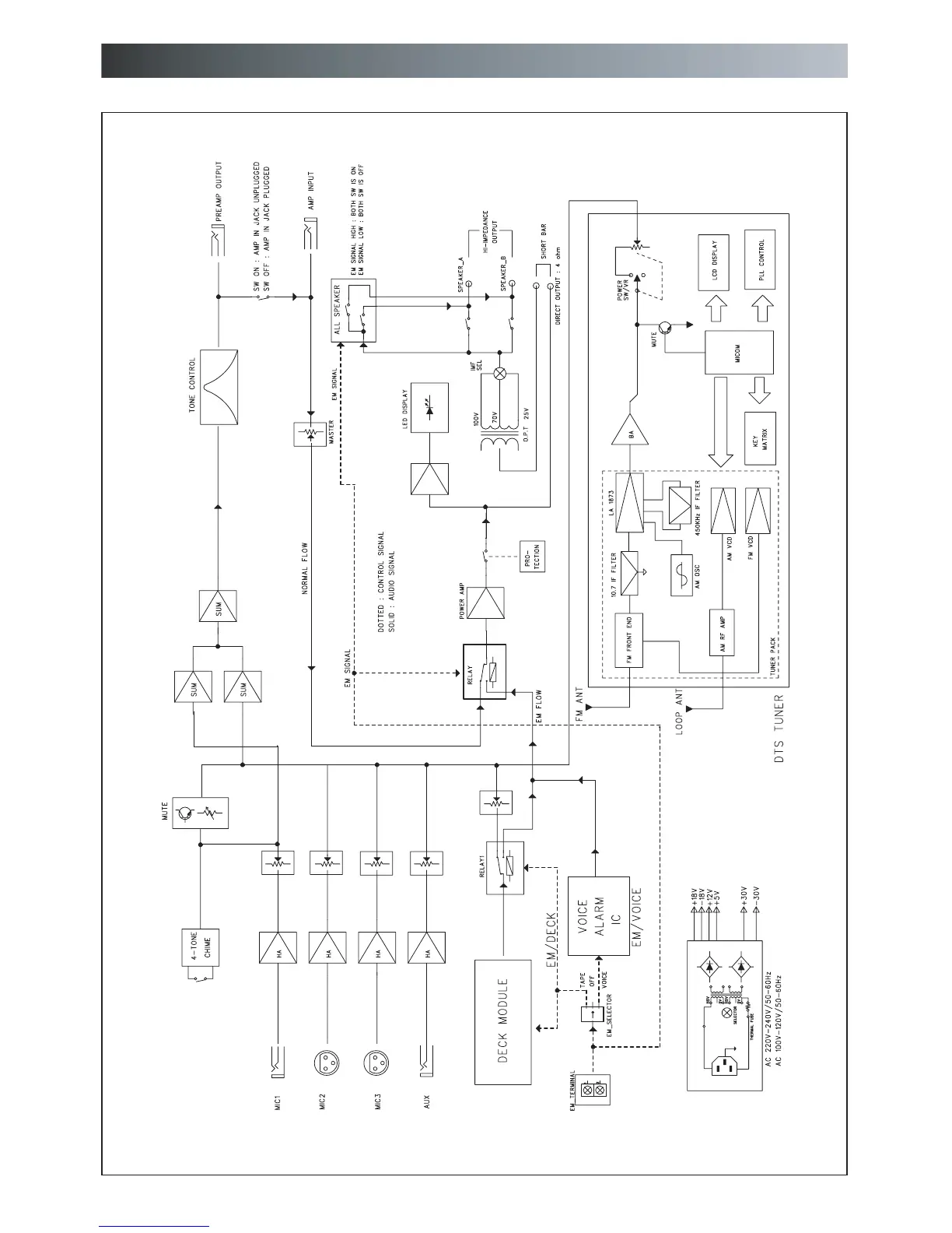
Inter-m POP-120A - Block Diagram

Inter-m POP-120A
12 pages
Print Icon
To Next Page IconTo Next Page
To Next Page IconTo Next Page
To Previous Page IconTo Previous Page
To Previous Page IconTo Previous Page
Loading...
isvjrGkphnyht

Related product manuals