EasyManua.ls Logo

inventiv INV E1740 P - Page 28

Default Icon
Print Icon
To Next Page IconTo Next Page
To Next Page IconTo Next Page
To Previous Page IconTo Previous Page
To Previous Page IconTo Previous Page
Loading...
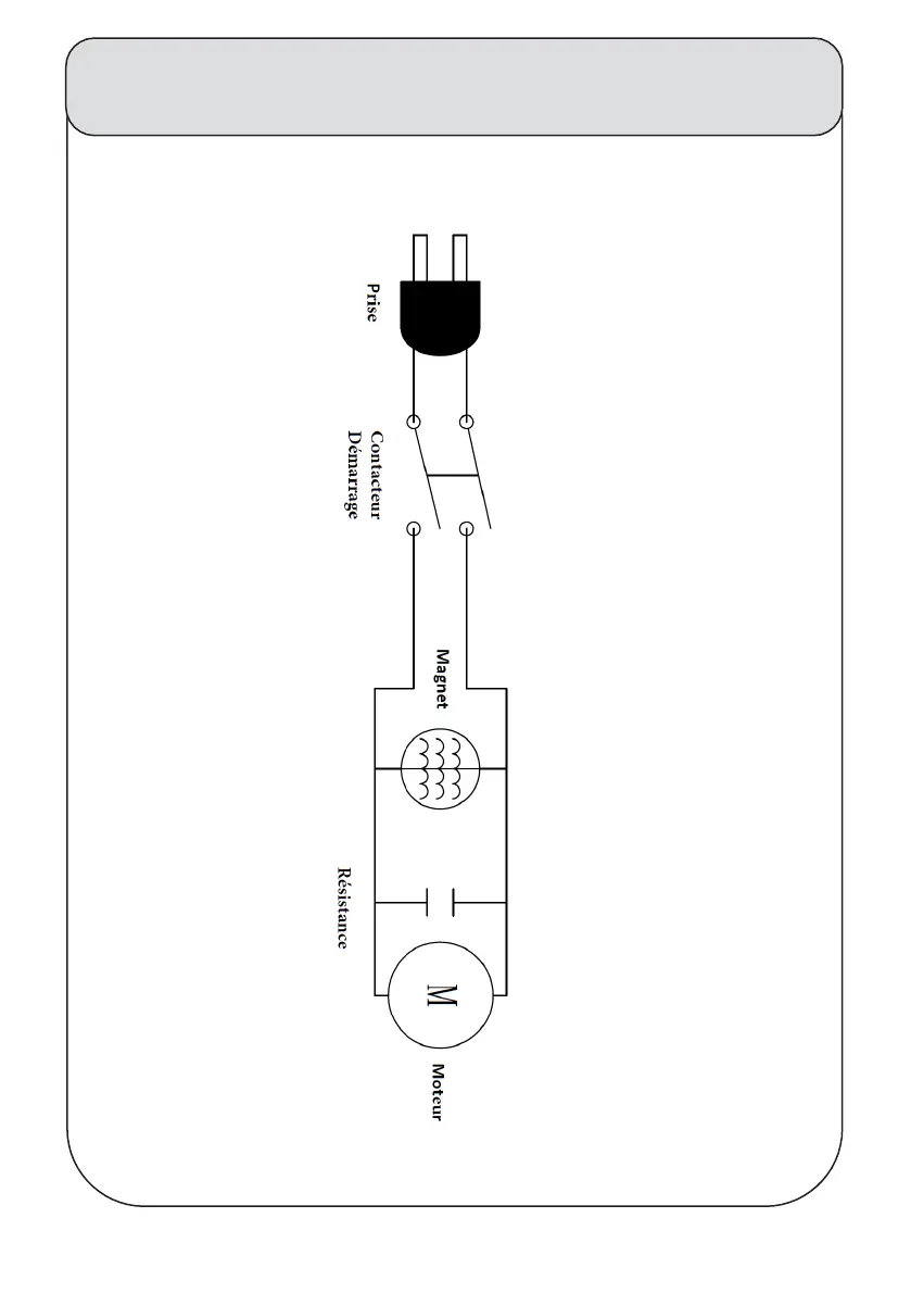
Schéma de câblage électrique E1740P
28

Related product manuals