EasyManua.ls Logo

inventiv INV E1740 P - Page 29

Default Icon
Print Icon
To Next Page IconTo Next Page
To Next Page IconTo Next Page
To Previous Page IconTo Previous Page
To Previous Page IconTo Previous Page
Loading...
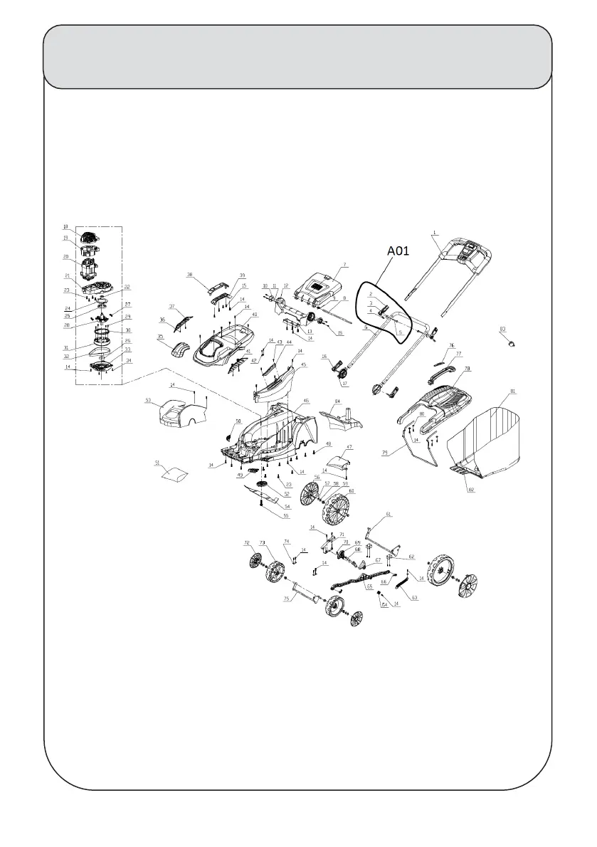
Eclatés pièces de rechange E1944P
29

Related product manuals