EasyManua.ls Logo

IO Mabe IO7660 - Uso del Horno; Controles del Horno

IO Mabe IO7660
Print Icon
To Next Page IconTo Next Page
To Next Page IconTo Next Page
To Previous Page IconTo Previous Page
To Previous Page IconTo Previous Page
Loading...
16
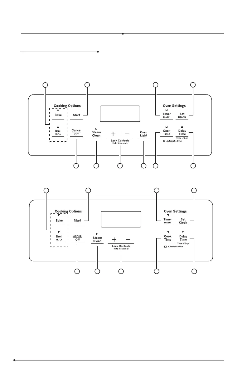
Uso del horno
Controles del horno
Su nuevo horno posee una variedad de modos de cocción para que pueda
obtener los mejores resultados. Estos modos se describen a continuación, para
controles de horno similares a los indicados.
1. Traditional Cooking Modes
(Modos de Cocción Tradiciona-
les): Su horno cuenta con los
siguientes modos de cocción
tradicionales: Bake (Hornear),
Broil Hi (Asar Alto) y Broil Lo
(Asar Bajo). Para más informa-
ción, consulte la sección de Modos
de Cocción.strucciones
2. Clean (Limpieza) (en algunos
modelos): Hay dos modos de
limpieza: Self Clean (Limpieza
Automática) y Steam Clean
(Limpieza con Vapor). Para
acceder a información importante
sobre el uso de estos modos,
consulte la sección de Limpieza
del Horno.
1
1
2
2
3
3
4
4 5
5
6
6 7
7
8
8
9
10
9

Related product manuals