EasyManua.ls Logo

iPower SUA15000EC - Page 12

iPower SUA15000EC
20 pages
Print Icon
To Next Page IconTo Next Page
To Next Page IconTo Next Page
To Previous Page IconTo Previous Page
To Previous Page IconTo Previous Page
Loading...
12
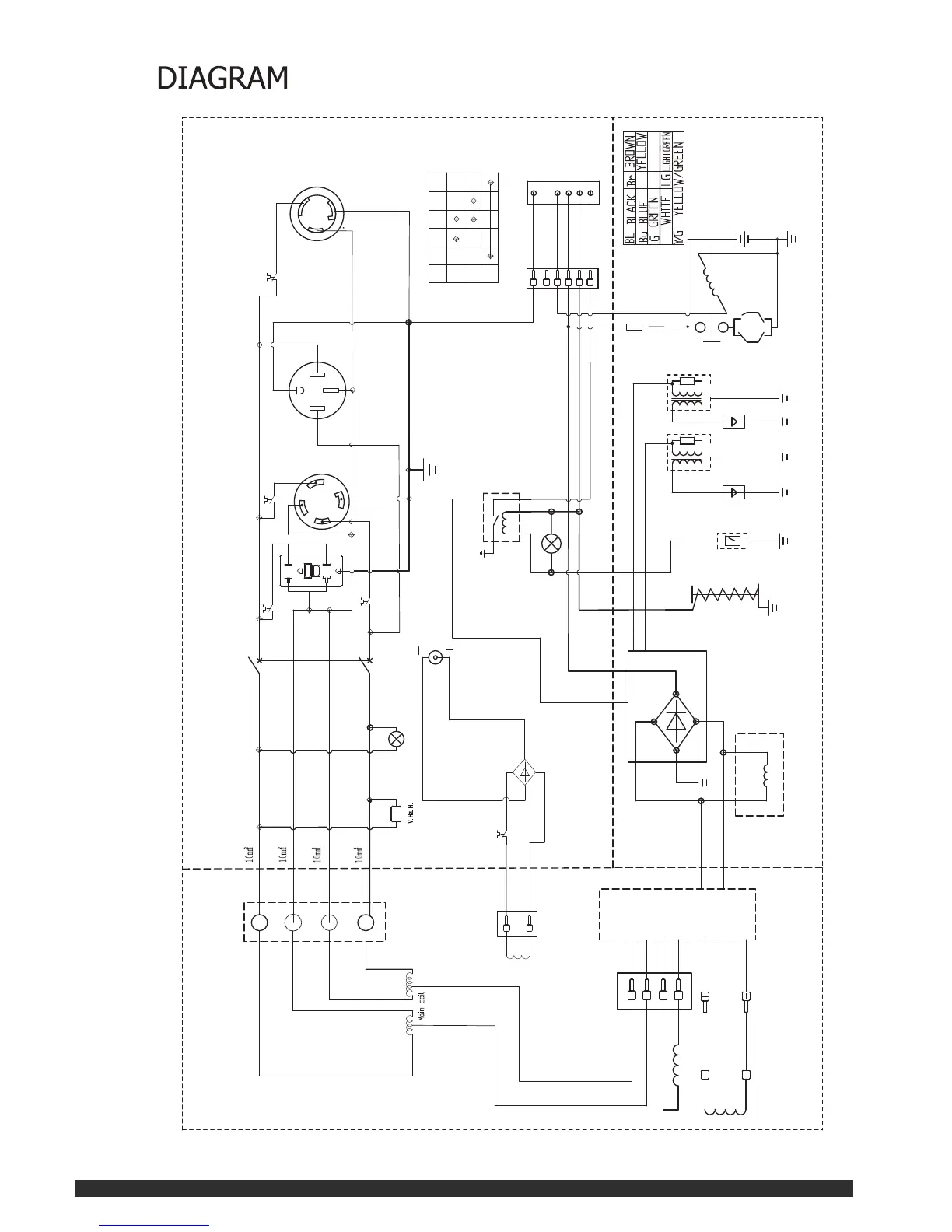
SUA15000EC
Y/G NN
Y
125V/250V/50A
V. Hz. H.
12V/9A
125V/250V/30A125V/20A
G
W
extration coil
secondary coil
A V R
R
W
W
BL
circuit breaker 2P-50A
protector 30A
protector 20A
protector 30A
power lamp
protector 9A
BU
BU
DC coil
rectifier
bridge
DC
protector relay
charging coil
BR
BR
G G
BR
BR
rectifier block
BL
Y
power lamp
W
oil sensor
spark
plug
ingition
coil
solenoid
spark
plug
ingition
coil
W
G
BU
BU
R
BL
125V/30A
8A protective tube
G
BL/W
W
BU
BL
G
BL/W
W
BU
BL
START
RUN
STOP
relay
starter motor
battery
protector 30A
W
G
BL/W
BL
BU
G
W
Y/G
Br
R
RED
Y
BL

Related product manuals