EasyManua.ls Logo

Jack JK-T9270D - Page 53

Jack JK-T9270D
65 pages
Print Icon
To Next Page IconTo Next Page
To Next Page IconTo Next Page
To Previous Page IconTo Previous Page
To Previous Page IconTo Previous Page
Loading...
-21-
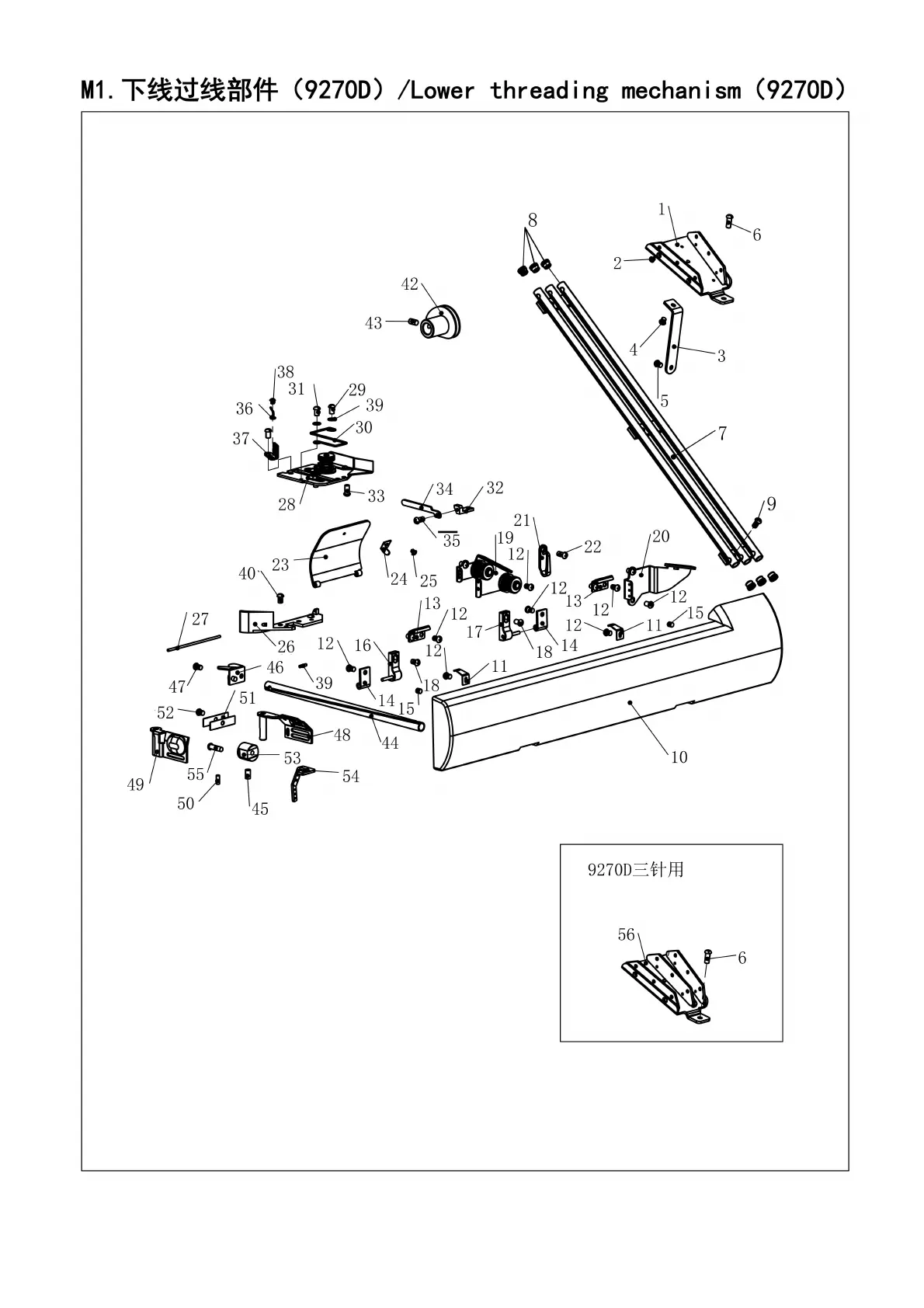
M1.
7't!Mt!ft~14
(9270D)
/Lower
threading
mechanism
(9270D)
37
42~
43------41>~
8
7
9270D
-
ft
ffl
From the library of Superior Sewing Machine & Supply LLC - www.supsew.com

Table of Contents

Related product manuals