EasyManua.ls Logo

JACKED UP JUF-PR2 - 23

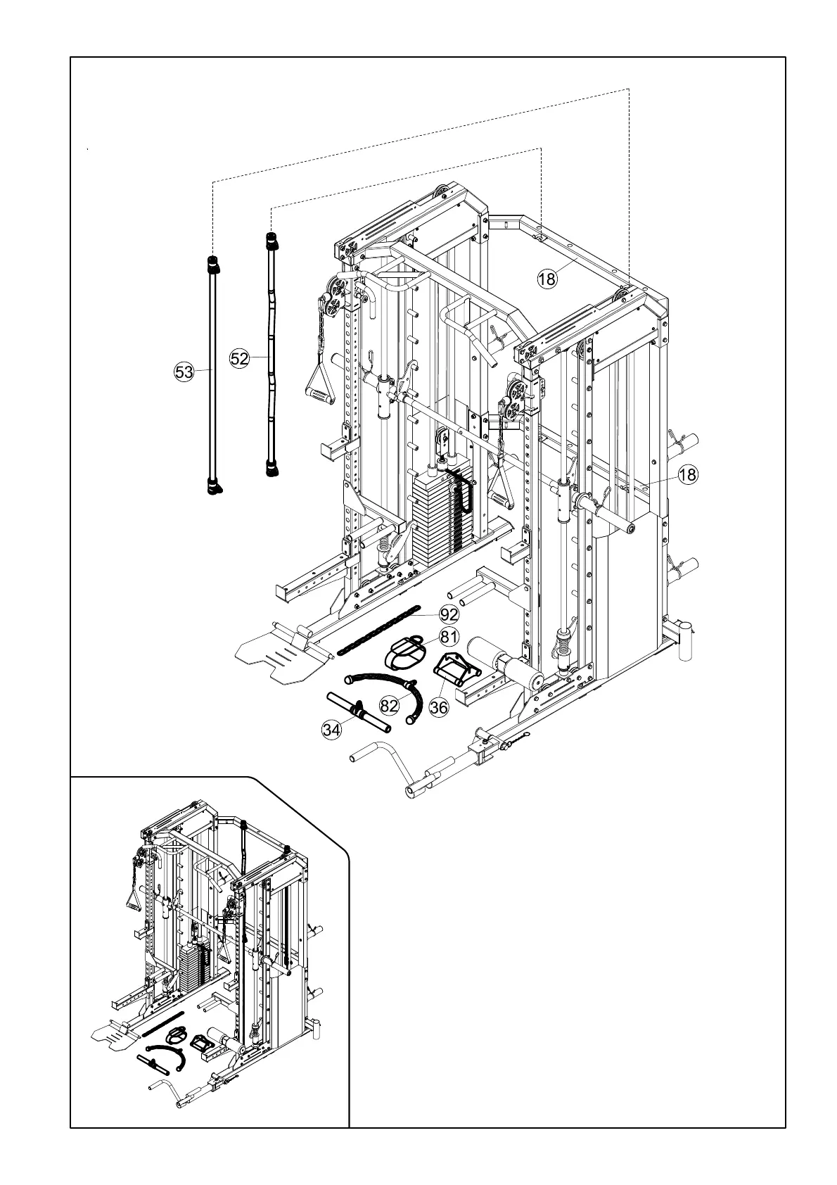
JACKED UP JUF-PR2
32 pages
Print Icon
To Next Page IconTo Next Page
To Next Page IconTo Next Page
To Previous Page IconTo Previous Page
To Previous Page IconTo Previous Page
Loading...
25
STEP 17